5.2. SZYBKOŚĆ 2400 BIT/S


  Modemy 2400 bit/s pracują z czterostanową modulacją fazy (QPSK), dzięki czemu szerokość pasma sygnału mieści się w zwykłym kanale fonicznym i zbędne są jakiekolwiek przeróbki radiostacji. Podłączenie takiego modemu nie różni się więc niczym od sposobu podłączenia zwykłego modemu AFSK 300/1200 bit/s. Modemy satelitarne natomiast pracują z szybkością 1200 bit/s i dwustanową modulacją fazy. Dla lepszego zrozumienia tej techniki przedstawiona jest zasada pracy modemu PSK.

5.2.1. ZASADA PRACY MODEMU Z MODULACJĄ FAZY

    Zasadniczą trudnością w odbiorze sygnału zmodulowanego fazowo jest rozpoznanie położenia fazy sygnału, a więc i prawidłowa identyfikacja poziomów nadawanych logicznych. Widmo sygnału zmodulowanego fazowo nie zawiera wogóle prążka o częstotliwości podnośnej (pojawia on się w widmie sygnału podwojonego), a poza tym samo odtworzenie sygnału podnośnej pozostawia jeszcze niejednoznaczność fazy początkowej. Dlatego też zamiast zwykłego przyporządkowania poszczególnych położeń fazy sygnałom "mark" i "space" stosowana jest modulacja różnicowa, skok fazy występuje w momencie zmiany poziomu logicznego sygnału. W ten sposób fazą odniesienia jest zawsze faza sygnału poprzedniego. Modulacja różnicowa może być jednak zastosowana jedynie w przypadku transmisji synchronicznej, ponieważ każdy z bitów musi być opóźniony o stały odstęp czasu (równy jego długości) dla dokonania porównania z natępnym bitem. Na szczęście w systemie pakiet radio zawartość pakietu transmitowana jest synchronicznie, dlatego też metoda ta może być zastosowana bez dodatkowej komplikacji. Alternatywą byłoby nadawanie sygnału odniesienia każdorazowo na początku bloku danych np. pakietu. Metoda ta powodowałaby jednak zmniejszenie odporności na zakłócenia, ponieważ wystąpienie zakłóceń w stosunkowo krótkiej fazie synchronizacji mogłoby spowodować zafałszowanie całego pakietu. Oprócz tego znacznie wyższe byłyby wymagania odnośnie stabilności generatora synchronizowanego w odbiorniku. Następnym problemem, związanym z zastosowaniem transmisji synchronicznej jest odtworzenie w odbiorniku sygnału podstawy czasu pozwalającej na rozpoznanie początku bitu lub grupy wielobitowej. W łącznościach satelitarnych stosowana jest modulacja kodem Manchester (MSK) powstałym przez kombinację EX-OR sygnału nadawanego z sygnałem częstotliwości zegarowej, jest on więc zawarty w sygnale nadawanym. W niektórych układach modemów PSK wykorzystana jest inna właściwość sygnału zmodulowanego fazowo. Teroretycznie w przypadku przełączania fazy za pomocą impulsów o bardzo krótkich zboczach (a więc w przypadku bardzo krótkich czasów przełączania) amplituda sygnału pozostaje stała. Sygnał taki miałby jednak bardzo szerokie (teoretycznie nieskończone) widmo. W praktyce wskutek ograniczenia pasma efektywne czasy przełączania są dosyć długie - sygnał charakteryzuje się resztkową modulacją amplitudy, a jego obwiednia zawiera m. in. sygnał o częstotliwości zegarowej. Sygnał zegarowy może być więc wydzielony przez detekcję amplitudy.
    W układach modulacji dwufazowej stosowana jest modulacja sygnałem różnicowym powstałym w wyniku porównania dwóch kolejnych bitów. Częstotliwość zegarowa równa jest tu szybkości transmisji i np. dla szybkości 1200 bit/s wynosi 1200 Hz. Szybkość modulacji wynosi tu także 1200 bodów. Inaczej wygląda sprawa w przypadku czterostanowej modulacji fazy. Kolejne bity zestawiane są w grupy dwubitowe (ang. dibit), a każdy z bitów moduluje różnicowo swoją podnośną. Transmisja grup dwubitowych powoduje, że szybkość modulacji równa jest połowie szybkości transmisji i wynosi przykładowo dla 2400 bit/s - 1200 bodów. Sprawę komplikuje trochę fakt występowania trzeciej wartości - częstotliwości zegarowej grup. Ponieważ informacja nadawana jest w postaci grup dwubitowych, częstotliwość zegarowa równa jest połowie szybkości transmisji i dla szybkości 2400 bit/s wynosi 1200 Hz. Składowa o tej częstotliwości występuje w obwiedni sygnału PSK. Na rysunku 5.2 przedstawiona jest zasada modulacji różnicowej, natomiast na rysunku 5.3 przykładowy schemat blokowy modemu PSK. Jako modulatorów fazy można w najprostszym przypadku użyć zwykłych modulatorów zrównoważonych, znanych z techniki jednowstęgowej, lub w układach cyfrowych - bramek exclusive-or. Sygnały danych w transmisji pakiet radio są zakodowane w kodzie NRZ-I, dzięki czemu zbędne są dodatkowe kodery i dekodery różnicowe.

    [rys. 5_02]

    [rys. 5_03]

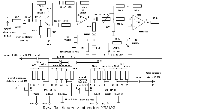
    Po zapoznaniu się z zasadami pracy modemu PSK możemy przejść do szczególowego omówienia pracy modemu QPSK opartego na obwodzie scalonym XR2123. Obwód ten stosowany jest w wielu rozwiązaniach modemów pakiet radio i modemów telefonicznych. W stosunku do przedstawionej powyżej zasady modulacji PSK występuje tu szereg różnic. Zamiast modulatorów zrównoważonych zastosowano układ cyfrowy - licznik sterujący przetwornik cyfrowo analogowy. W momentach zmiany fazy licznik ten ładowany jest odpowiednią wartością, po czym pracuje dalej, aż do następnego momentu zmiany fazy. Schodkowy sygnał wyjściowy przetwornika musi być odfiltrowany za pomocą zewnętrznego filtru o częstotliwości granicznej ok. 2800 Hz. Częstotliwość podnośnej, zgodnie ze standardem V.26, wynosi 1800 Hz. Na wyjściu filtru otrzymywany jest sygnał sinusoidalny, ze wspomnianą już resztkową modulacją amplitudy. Amplituda sygnału zależna jest od wartości napięcia sterującego, podanego na nóżkę 11 obwodu. Częstotliwość zegarowa otrzymywana jest przez podział częstotliwości generatora kwarcowego - 4,608 MHz. Sygnał ten steruje układ przetwornika szeregowo-równoległego.
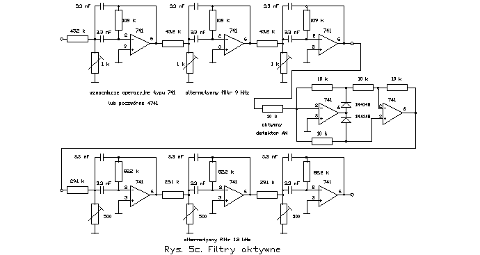
    Sygnał odbierany podlega filtracji w filtrze pasmowym o częstotliwości środkowej 1800 Hz i paśmie 760 - 2860 Hz, a następnie podawany jest na wzmacniacz z automatyczną regulacją wzmocnienia. Następnie jest on mieszany z sygnałem o czterokrotnej częstotliwości podnośnej (7200 Hz), wytwarzanym lokalnie w obwodzie XR2123. Po zmieszaniu otrzymywany jest sygnał o częstotliwości 9 kHz. Wyższa częstotliwość jest korzystniejsza dla pracy zawartego w obwodzie scalonym detektora fazy pracującego na zasadzie pomiaru szerokości impulsów oraz upraszcza konstrukcję detektora amplitudy w układzie odtwarzania częstotliwości zegarowej. Po odfiltrowaniu w filtrze 9 kHz (zalecana przez producenta dobroć filtru powinna wynosić ok. 9) sygnał podawany jest równolegle na dwa tory. W pierwszym z nich podlega on ograniczeniu, po czym podawany jest na detektor fazy. Drugi z torów zawiera detektor amplitudy, filtr o częstotliwości środkowej 1200 Hz oraz ogranicznik. Odtworzony sygnał zegarowy podawany jest do układu przetwornika równoległo-szeregowego i dekodera różnicowego. Schemat blokowy modemu przedstawiony jest na rysunku 5.4. Jako filtrów można użyć tu filtrów aktywnych, z wykorzystaniem wzmacniaczy operacyjnych, lub filtrów pracujących na zasadzie komutowanych pojemności, jak to zrobiono w modemach MFJ-2400 i TM-2400. Szczególowy schemat modemu MFJ-2400 przedstawiono na rysunku 5.5. Rysunek 5.5c zawiera alternatywne rozwiązanie aktywnych filtrów i detektora AM, z wykorzystaniem popularnych wzmacniaczy operacyjnych 741 (lub podobnych) zamiast trudniej dostępnych obwodów MF-10. Obwód scalony IC9 (74HC157) jest poczwórnym selektorem sygnałów logicznych, pozwalającym na przełączanie sygnałów zegarowych, danych i diody sygnalizacyjnej w zależności od tego, czy włączony jest modem MFJ-2400, czy modem wewnętrzny kontrolera. Sygnał przełączający (sygnał zegarowy z płytki głównej kontrolera) po detekcji na diodzie D6 steruje przełącznikiem modemu przez tranzystor T6. Tranzystor T4 jest przełącznikem sygnałów akustycznych. Układ przełączający jest zbędny w przypadku, gdy modem ten ma stanowić jedyne wyposażenie kontrolera lub ma być użyty zamiast modemu BayCom i podłączony do łącza szeregowego komputera. Modem MFJ-2400 dostarcza sygnałów zegarowych TxC i RxC do kontrolera TNC. Częstotliwość tych sygnałów jest 16-krotną częstotliwości transmisji (38400 Hz dla 2400 bit/s). Sygnały te wykorzystywane są przez kontroler TNC, w przypadku współpracy ze sterownikiem TFPCX lub programem BayCom są one zbędne. W tym przypadku konieczne jest dobudowanie układu przełączania nadawanie-odbiór.

    [rys. 5_04]

    [rys. 5_05a]

    [rys. 5_05b]

    [rys. 5_05c]

    W kontrolerach DSP-1232/2232/232 modemy PSK zrealizowane są w pełni cyfrowo, w technice cyfrowej obróbki sygnałów.

5.2.1.1. SPIS CZĘŚCI

Modem MFJ-2400:
oporniki: 470 , 1 k, 2 x 2,2 k, 2,7 k, 2 x 4,7 k, 8,2 k, 2 x 9,09 k, 2 x 9,53 k, 3 x 10 k, 3 x 15 k, 2 x 18 k, 30 k, 47 k, 56 k, 62 k, 2 x 68 k, 11 x 100 k, 390 k, 470 k, 1 M,
potencjometry: 50 k, 500 k,
kondensatory: 2 x 33 pF, 2 x 1 nF, 3 x 4,7 nF, 2 x 10 nF, 22 nF, 3 x 100 nF,
tranzystory: 4 x 2N3904 (lub inne dowolne tranzystory npn), tranzystor polowy VN10KM,
diody: 3 x 1N4148 (lub inne dowolne diody krzemowe), dioda świecąca,
obwody scalone: LM324, LM741, 74HC04, 74HC157, 74HC193, 4024, XR2123, 2 x MF-10,
kwarc: 4,608 MHz.

Alternatywne filtry aktywne i detektor AM:
oporniki: 4 x 10 k, 3 x 29,1 k, 2 x 43,2 k, 2 x 82,2 k, 3 x 109 k,
potencjometry: 500 , 2 x 1k,
kondensatory: 6 x 3,3 nF, 6 x 33 nF,
diody: 2 x 1N4148,
obwody scalone: 8 x LM741.

5.2.2. KORZYŚCI WYNIKAJĄCE Z ZASTOSOWANIA MODULACJI FAZY I SZYBKOŚCI 2400 BIT/S

    Przedstawiony dalej system modulacji wg. standardu G3RUH jest systemem dosyć krytycznym jeśli chodzi o dobór charakterystyk filtrów nadawczych, amplitud sygnału modulującego, który podawany jest bezpośrednio na diodę waraktorową w związku z czym łatwo ustawić niewłaściwą dewiację a także jeśli chodzi o siłę sygnału odbieranego. W wielu starszych modelach radiostacji konieczne jest dokonanie opisanych dalej przeróbek a znaczna część nowszych wyposażonych w gniazdo do modulacji cyfrowych sprawuje się nienajlepiej przy pracy w standardzie G3RUH. Przyczyny tego stanu rzeczy są przedstawione dalej. Poprzestańmy więc narazie na tym stwierdzeniu i zauważmy, że sygnał akustyczny w systemie modulacji QPSK wg. normy V.26 ma szerokość pasma nie przekraczającą szerokości pasma sygnału fonicznego i w związku z tym może być podany na wejście mikrofonowe radiostacji identycznie jak sygnał AFSK przy szybkości 1200 bit/s. Identycznie też sygnał odbierany może być brany z gniazda słuchawkowego lub głośnikowego. Tak więc bez przeróbek radiostacji i w sposób znacznie łatwiejszy i mniej krytyczny w użyciu możemy lepiej wykorzystać kanał radiowy aniżeli ma to miejsce przy szybkości 1200 bit/s.
    Modemy 2400 bit/s QPSK są jeszcze dostępne w wielu krajach zachodnich i w USA i są też montowane seryjnie w niektórych modelach kontrolerów. Pomimo więc, że szybkość 2400 bit/s pozostaje w cieniu 9600 bit/s warto zastanowić się nad jej wykorzystaniem. Należy pamiętać, że jeśli uwzględni się wszystkie oczywiste efekty jak czasy reakcji oprogramowania czy czasy przełączania nadawanie odbiór nominalna szybkość 9600 bit/s nie oznacza wcale 8-krotnego wzrostu szybkości efektywnej a w rzeczywistości znacznie mniej. Efekty te są stosunkowo mniej zauważalne przy szybkości 2400 bit/s dlatego też wypadkowa szybkość jest tu bliższa teoretycznej.
    W rzeczywistości należy przy szybkości 9600 bit/s uwzględnić mniej oczywiste efekty jak niedbałość wielu operatorów czy wręcz lekceważenie takich wymogów jak właściwy dobór amplitud wyjściowych, charakterystyk filtrów itp. Oznacza to najczęściej nieproporcjonalnie wysoki wzrost liczby powtórzeń i spadek efektywnej szybkości transmisji nawet poniżej osiąganej przy 1200 bit/s.
    Tak więc mniej krytyczny w praktyce system modulacji QPSK nie powinen narazie ulec zapomnieniu.
    Szybkość 2400 bit/s, podobnie jak i 9600 bit/s są tylko pewnymi etapami rozwoju amatorskiej komunikacji cyfrowej. W dalszej przyszłości będziemy z pewnością pracowali z dużo większymi szybkościami, jak np. kilka Mbit/s w pasmach mikrofalowych i rozważania na temat wyboru szybkości 2400 bit/s czy 9600 bit/s wydadzą się śmieszne (lub nawet nie). Nie chcę się przyczyniać do rozpętania zażartych dyskusji na temat zalet tej czy innej szybkości transmisji. Chciałbym jedynie zainteresować jak największą liczbę czytelników tą niedrogą i nieskomplikowaną możliwością.
    W niektórych krajach (np. w Niemczech) eksperymentuje się z modemami AFSK pracującymi z szybkością 2400 bit/s. Stosowane są pary tonów różniące się od standardu BELL 202, częstotliwość tonu wyższego wynosi ok. 3800 Hz, niższego - ok. 2000 Hz. Wymaga to licznych przeróbek modemu zawartego w kontrolerze TNC i rozszerzenia pasma przenoszenia posiadanej radiostacji. Dodatkowo dla kompensacji charakterystyki przenoszenia radiostacji konieczne może być włączenie filtru górnoprzepustowego w tor akustyczny (w celu wyrównania poziomów wysterowania dla obu tonów). W modemach opartych na obwodzie TCM-3105 konieczna jest m.in. wymiana kwarcu z 4,43 MHz na 7,3728 MHz. Obwód TCM-3105 pracuje wtedy na granicy swoich możliwości i nie każdy egzemplarz nadaje się do tego celu. Najpoważniejszą wadą tego systemu jest niezgodność ze stosowanym standardem modulacji QPSK (V.26).



Wydanie z dn. 20.03.1999.

© Prawa autorskie Krzysztof Dąbrowski, OE1KDA.