3.7. CYFROWE BLOKADY SZUMÓW


  W przypadku zbyt długiego czasu reakcji blokady szumów można zastosować zewnętrzny układ blokady szumów włączony w przewód m.cz. prowadzący od głośnika do TNC lub modemu. Unika się w ten sposób wewnętrznych przeróbek radiostacji. Najkorzystniejszym rozwiązaniem jest tu układ tzw. cyfrowej blokady szumów składający się np. z pętli PLL (XR2211 lub podobnej) sterującej elektronicznym przełącznikiem opartym np. na układzie 4016/4066. Odbiór sygnału podnośnej akustycznej powoduje otwarcie przełącznika elektronicznego przez sygnał stanu synchronizacji pętli i podanie sygnału akustycznego na wejście TNC lub modemu. Układ taki charakteryzuje się dużą szybkością przełączania zwiększając w ten sposób efektywną szybkość transmisji danych.

3.7.1. BLOKADA SZUMÓW NA OBWODZIE XR2211

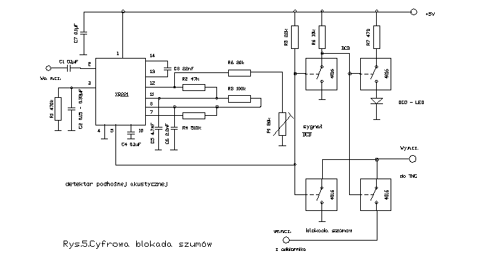
    Jedno z możliwych rozwiązań przedstawiono na rysunku 3.6. Pętla synchronizacji fazy PLL oparta o układ XR2211 reaguje na częstotliwość podnośnej akustycznej, otwierając przełącznik 4066 wprowadzony w tor akustyczny łączący wyjście głośnikowe odbiornika z wejściem modemu lub kontrolera TNC. Częstotliwość pracy pętli PLL powinna być tak dobrana, aby zapewnić synchronizację w zakresie 1200 Hz - 2200 Hz. Sygnał synchronizacji otrzymywany na nóżce 5 otwiera przełącznik doprowadzając sygnał akustyczny do wejścia modemu. W przedstawionym układzie (wypróbowanym przeze mnie praktycznie we współpracy z miniaturowym kontrolerem TNC u21 i radiostacją FT73) zastosowałem dodatkowo żółtą diodę świecącą wskazującą użytkownikowi odbiór podnośnej leżącej w zakresie synchronizacji pętli. Doprowadzenia sygnału m.cz. powinny być wykonane za pomocą kabla ekranowanego, a sam układ zamknięty w obudowie ekranującej.

3.7.1.1. SPIS CZĘŚCI

Oporniki: 470 , 10 k, 20 k, 47 k, 22 k, 100 k, 470 k, 510 k,
potencjometry: 20 k,
kondensatory: 2,2 nF, 4,7 nF, 22 nF, 3 x 100 nF, 150 nF, 10 uF,
diody: żółta świecąca,
obwody scalone: XR2211, 4066 (4016), 7805.

    [rys. 3_06]


3.7.2. UKŁAD Z POMIAREM CZĘSTOTLIWOŚCI

    Następnym układem jest modem cyfrowy pracujący na zasadzie pomiaru częstotliwości sygnału FSK przez zliczanie impulsów podstawy czasu (sygnału zegarowego). Układ opracowany został przez Zbigniewa Grzegorka i Pawła Szulakiewicza z Politechniki Poznańskiej. Jego zaletą jest przede wszystkim brak jakichkolwiek elementów dostrajanych oraz użycie standardowych, łatwo dostępnych obwodów logicznych z serii 74XX. Mogą też być zastosowane obwody CMOS 74CXX lub ich odpowiedniki z serii 4000. W wersji przedstawionej na rysunku 3.7 teoretycznie możliwa jest demodulacja sygnałów o odstępie częstotliwości równym nawet tylko 0,25 Hz. Czas reakcji układu jest również bardzo krótki i równy okresowi częstotliwości granicznej (w tym przypadku 1 kHz, co odpowiada czasowi reakcji 1 ms). Maksymalna szybkość transmisji wynosiłaby tu 1000 bit/s.
    Częstotliwość graniczna f0 wynika z podziału sygnału zegarowego w torze dzielników. W miarę potrzeby można zmienić ją dobierając częstotliwość zegarową lub zmieniając stosunek podziału. Zamiast liczników 7493 można użyć tu podwójnych liczników 74293, a przy innym stosunku podziału 7490, 7492 albo ich dowolnej kombinacji, albo też licznika CMOS 4020. Jako generatora zegarowego dobrze jest użyć generatora stabilizowanego kwarcem lub rezonatorem ceramicznym np. z filtru częstotliwości różnicowej TV lub p.cz. odbiorników UKF. Najprostszy generator może być zbudowany na bramkach 7400 lub 4011, możliwa jest też konstrukcja generatora na układzie 4024 albo 74124. Do odbioru emisji RTTY o odstępie częstotliwości 170 Hz częstotliwość wyjściowa toru dzielącego powinna leżeć w zakresie 1300 - 1400 Hz, przy większych odstępach zakres poszerza się odpowiednio do 1650 lub 2100 Hz. W systemie pakiet radio na KF byłby to zakres 1650 - 1750 Hz, a na UKF - 1250 - 2150 Hz. Wspomniana wyżej częstotliwość graniczna może być odległa nawet tylko o 0,25 Hz od częstotliwości "mark" lub "space", jest to jednak ryzykowne ze względu na niedokładność lub niestabilność tonu korespondenta i krytyczne dostrojenie własnego odbiornika SSB. Częstotliwość podstawy czasu może być również wielokrotną częstotliwości wynikającej ze stosunku podziału. W podanych niżej wzorach współczynnik wielokrotności oznaczony jest literą k. Dla przyjętego współczynnika k zakres niepewności wyrażony jest wzorem:
      f0
df = --------
     k * 2^N
N - liczba stopni dzielnika, 
2^N - całkowity stosunek podziału.

    W przypadku zastosowania innej kombinacji dzielników należy wstawić tu odpowiedni dla nich stosunek podziału.
    W przytoczonym przykładzie dla częstotliwości podstawy czasu 8,192 MHz zakres niepewności wynosiłby tylko 0,125 Hz.
    Dolna granica zakresu pracy wyraża się wzorem:
      2k
f1 = ------- f0
     2k + 1

a górna:
      2k
f2 = ------- f0
     2k - 1

Dla częstotliwości podstawy czasu 4,096 MHz f1 = 667 Hz a f2 = 2000 Hz, dla 8,192 MHz są to odpowiednio 800 Hz i 1333 Hz.
    Dobierając częstotliwość podstawy czasu w zależności od rodzaju emisji, należy sprawdzić czy obie te granice odpowiadają wymogom. Powinny one być oddalone od częstotliwości "mark" i "space" o co najmniej 50 - 100 Hz.

3.7.2.1 SPIS CZĘŚCI

Oporniki: 100 omów,
Kondensatory: 300 pF,
Obwody scalone 7474, 7493 (lub inne dzielniki), 7400 (w generatorze).

    [rys. 3_07]

    W układzie cyfrowej blokady szumów częstotliwość graniczna f0 powinna być równa ok. 1150 Hz zapewniając otwarcie przełącznika w przypadku odbioru sygnału o częstotliwości 1150 - 2300 Hz, co odpowiada częstotliwości podstawy czasu ok. 4700 kHz. Właściwe wysterowanie przełącznika wymaga wykorzystania zanegowanego sygnału wyjściowego przerzutnika D.



Wydanie z dn. 20.03.1999.

© Prawa autorskie Krzysztof Dąbrowski, OE1KDA.