DODATEK 3
MODUŁY Z DIODĄ GUNNA


  Pasmo 10 GHz już od połowy lat 70-tych zwróciło na siebie uwagę krótkofalowców. Za pomocą stosunkowo prostego wyposażenia - generatorów-mieszaczy z diodą Gunna (ang. gunnplexer) - w korzystnych warunkach osiągane były zasięgi kilkuset i więcej km. Generatory składają się z rezonatora wnękowego (odcinka falowodu prostokątnego zaślepionego na jednym końcu) w którym znajduje się dioda Gunna. Po spolaryzowaniu diody w kierunku przewodzenia w rezonatorze wzbudzają się drgania b.w.cz. o częstotliwości zależnej od jego rozmiarów. Dioda Gunna wykazuje w pewnym odcinku swojej charakterystyki oporność ujemną podobnie jak dioda tunelowa. Dla diod o mocy 10 mW odcinek ten leży w zakresie 7 - 10 V, a pobór prądu wynosi ok. 150 mA. Dla diod o mocy 50 mW pobór prądu wynosi ok. 500 mA. Częstotliwość drgań jest także zależna od umieszczonych w rezonatorze elementów dostrojczych: przysłon i wkręcanych do wnętrza śrub metalowych lub wykonanych z dielektryka (np. teflonu). Śruby te mogą więc służyć jako mechaniczne elementy dostrojcze. Częstotliwość drgań jest też w pewnym stopniu zależna od napięcia zasilania diody - nachylenie charakterystyki leży przeważnie w zakresie 1 - 20 MHz/V. Zależność ta może być wykorzystana do precyzyjnego strojenia i modulacji częstotliwości generatora. Dokładniej rzecz biorąc zmiana napięcia na diodzie Gunna powoduje powstanie kombinowanej modulacji AM i FM. W nieco bardziej rozbudowanych układach w rezonatorze umieszczona jest dodatkowo dioda waraktorowa zapewniająca korzystniejsze charakterystyki modulacji FM. Oprócz tego w rezonatorze pomiędzy diodą Gunna i jego wylotem znajduje się dioda mieszająca - najczęściej dioda Schottkiego albo dioda mikrofalowa typu 1N23, 1N24 itp. W wyniku zmieszania sygnału odbieranego z sygnałem generowanym przez diodę Gunna otrzymywany jest sygnał o częstotliwości pośredniej. Jak widać generator z diodą Gunna pełni jednocześnie funkcję nadajnika i oscylatora lokalnego (heterodyny) odbiornika. Konstrukcja ta umożliwia prowadzenie łączności dupleksowych na dwóch częstotliwościach odleglych od siebie o wartość częstotliwości pośredniej. Schemat blokowy urządzenia nadawczo-odbiorczego przedstawiony jest na rysunku 1.
    Do otwartego końca falowodu podłączona jest najczęściej antena rożkowa w postaci sciętego ostrosłupa o podstawie prostokątnej i mniejszej podstawie pasującej do rozmiarów rezonatora. Zysk tego typu anten zależny jest. m.in. od ich długości. Dla zwiększenia zysku antenowego moduł generatora z anteną rożkową może być umieszczony w ognisku anteny parabolicznej.

    [rys. d3_01]

    W zależności od typu zastosowanej diody generatory dostarczają mocy od 10 do 100 mW w paśmie 10 GHz lub 5-20 mW w paśmie 24 GHz. Efektywne moce promieniowania są znacznie wyższe ponieważ w zakresie tak krótkich fal łatwo jest osiągnąć wysokie zyski antenowe. Dla przypomnienia: moc 100 mW w połączeniu z zyskiem antenowym 30 dB odpowiada mocy promieniowanej EIRP 100 W. (Moc ta może być niebezpieczna dla oczu i innych delikatnych tkanek ! Należy bezwzględnie unikać przebywania we wiązce promieniowania anteny !). Stabilność generatorów wystarcza do prowadzenia łączności z szerokopasmową modulacją FM np. dla szerokości pasma stosowanej w radiofonii UKF (300 kHz), a tym bardziej w TV-FM, jest ona jednak niewystarczająca dla emisji wąskopasmowych (FM, SSB czy CW). Współczynnik szumów mieszacza wynosi ok. 6 - 10 dB i jest zależny od typu diody mieszającej. Diody 1N23 zawierają w oznaczeniu dodatkowo literę oznaczają współczynnik szumów - dalsze litery alfabetu oznaczają niższe wartości współczynnika. Moduły, w których mieszanie następuje odrazu na diodzie Gunna mają współczynniki szumów ok. 25 dB.
    Pomimo tych niezbyt rewelacyjnych parametrów generatory Gunna były przez dłuższy czas stosowane w amatorskich łącznościach fonicznych FM. Ciąg dalszy toru odbiorczego stanowiły przeważnie samochodowe radioodbiorniki UKF ze względu na ich dużą czułość i dobre ekranowanie. W przykładzie przedstawionym na rysunku 1 przy założeniu dostrojenia generatora Gunna do częstotliwości 10,2 GHz (nadawanie) i odbiornika UKF do częstotliwości 100 MHz możliwy jest równoległy odbiór na częstotliwościach 10,1 albo 10,3 GHz.
    Postęp techniki umożliwił wprawdzie przejście na emisje wąskopasmowe (kosztem znacznej rozbudowy i komplikacji układów) i generatory Gunna znalazly się przez dłuższy czas w zapomnieniu, niemniej jednak ich prostota pozwala na wykorzystanie w transmisjach TV-FM.
    Moduły generatorów lub generatorów-mieszaczy Gunna są w dalszym ciągu produkowane i wykorzystywane m.in. w czujnikach alarmowych wykrywających obecność osób w pomieszczeniach albo w urządzeniach otwierających drzwi w sklepach i instytucjach. Można je więc z pewnością czasami nabyć okazyjnie. Nowe moduły tego typu są rozprowadzane m.in. przez firmę "SHF Microwave Parts Co." (7102 W. 500 S., La Porte, Indiana 46350 USA). Firma osiągalna jest w Internecie pod adresem: http://www.shfmicro.com . Oprócz modułów na pasma amatorskie 10 GHz (10-15 mW) i 24 GHz (5 mW) oferowane są anteny rożkowe, diody i tranzystory mikrofalowe, ceramiczne rezonatory pastylkowe oraz inne podzespoły dla tych zakresów częstotliwości. Ceny modułów Gunna leżą w zakresie 55-60 $. Drugą z firm specjalizujących się w podzespołach mikrofalowych jest "Advanced Receiver Research" (Box 1242, Burlington CT 06013 USA). Moduły Gunna na pasmo 10 GHz oferowane są też przez wydawnictwo "UKW Berichte".

Tabela D3.1
Dane niektórych fabrycznych modułów Gunna

Typ Zakres pracy Moc wyjściowa
MA87127-1 10 GHz 10 mW
MA87141-1 10 GHz 10 mW
MA87820 24 GHz 20 mW


D3.1. NADAJNIK Z FABRYCZNYM MODUŁEM GUNNA

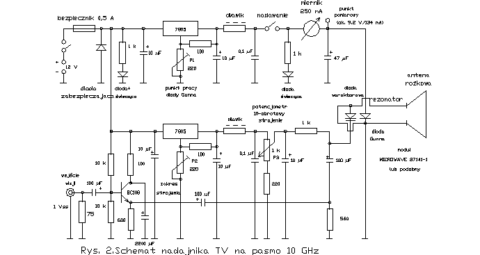
    Jak wynika z poprzednich rozważań moduły generatorów Gunna pozwalają na konstrukcję prostych nadajników telewizyjnych. Na rysunku 2 przedstawiony jest schemat nadajnika składającego się z zasilacza-modulatora FM i fabrycznego generatora Gunna. W układzie modulatora oprócz stałych napięć zasilających diody występują przebiegi wizyjne, jego konstrukcja nie jest więc krytyczna i nie wymaga doświadczenia w dziedzinie b.w.cz.

    [rys. d3_02]

    Doprowadzony do wejścia wtórnika emiterowego sygnał wizji i podnośnej fonii sumowany jest z regulowanym napięciem stałym i podawany przez potencjometr na diodę waraktorową. Potencjometr P2 służy do ustalenia napięcia wyjściowego stabilizatora LM7805, a potencjometr P3 do strojenia generatora. Układ zawiera drugi stabilizator LM7805 (o napięciu regulowanym za pomocą potencjometru P1), który służy do zasilania diody Gunna. Napięcie zasilania dla większości typów diod Gunna nie powino przekraczać 10 V - należy sprawdzić w danych modułu lub katalogu diod. Zasilanie diody powinno być dobrze zablokowane dla uniknięcia drgań pasożytniczych.
    W zależności od użytego modułu nadajnik może pracować w paśmie 10 lub 24 GHz. Zakres zastosowań nadajnika nie ogranicza się do telewizji amatorskiej. Może on być wykorzystany do szybkiej transmisji danych (pakiet radio - FSK) lub łączności fonicznych jak to przedstawiono na rys. 1.

D3.1.1. SPIS CZĘŚCI

Oporniki: 75, 3 x 100, 220, 560, 680, 3 x 1 k, 2 x 10 k,
potencjometry: 2 x 220, 1 k (10-obrotowy),
kondensatory: 2 x 0,1 uF, 5 x 10 uF, 47 uF, 3 x 100 uF, 2200 uF,
tranzystory: BC108,
diody: krzemowa dowolnego typu, 2 x świecące,
moduł generatora Gunna 10 GHz: 87141-1 lub podobny,
stabilizatory: 2 x 7815.



Wydanie z dn. 20.03.1999.

© Prawa autorskie Krzysztof Dąbrowski, OE1KDA.