DODATEK 1
AMATORSKA TELEWIZJA AM - ATV-AM


  Amatorska telewizja z modulacją amplitudy (AM) stosowana jest zasadniczo tylko w paśmie 70 cm ze względu na brak miejsca na transmisje z modulacją częstotliwości. Omówione poprzednio zalety modulacji częstotliwości spowodowały jej rozpowszechnienie w wyższych i odpowiednio szerokich pasmach. Dla czytelników chcących spróbować swoich sił w paśmie 70 cm przeznaczonych jest kilka poniższych, stosunkowo prostych schematów urządzeń nadawczo-odbiorczych. Główną zaletą systemu telewizyjnego z modulacją amplitudy była prostota uruchomienia stacji dzięki możliwości wykorzystania (lekko przestrojonego) odbiornika telewizyjnego wyposażonego w głowicę na pasma UHF. Obecnie w związku z rozpowszechnieniem telewizji satelitarnej i możliwością odbioru telewizji z modulacją FM w paśmie 23 cm bez dokonywania przeróbek odbiornika, a w paśmie 10 GHz po dokonaniu przestrojenia konwertera antenowego aspekt ten traci stopniowo znaczenie. Konstrukcja telewizyjnego nadajnika AM jest bardziej skomplikowana ze względu na konieczność zapewnienia odpowiednio wysokiej liniowości jego poszczególnych stopni. W paśmie 70 cm stosowana jest częstotliwość nośna wizji wynosząca 434,25 MHz, a częstotliwość nośna fonii - 439,75 MHz. W niektórych krajach stosowana jest częstotliwość nośna wizji wynosząca 433,75 MHz, a sygnał fonii nadawany jest na częstotliwości 144,750 MHz. W odróżnieniu od dwuwstęgowej modulacji amplitudy stosowanej w radiofonii i łącznościach fonicznych w systemach telewizyjnych stosowana jest modulacja amplitudy z częściowo ograniczoną wstęgą dolną. Szerokość pasma wstęgi górnej wynosi, w zależności od systemu 5 lub 6 MHz, natomiast dolna wstęga zajmuje pasmo 1,25 MHz. Filtr dolnej wstęgi charakteryzuje się tzw. zboczem Nyquista i zapewnia tłumienie nośnej do 50 %. Możliwe jest tu zastosowanie filtrów LC lub scalonych filtrów pacujących z falą powierzchniową (Surface Wave - SW). W systemach CCIR i OIRT stosowana jest modulacja negatywowa oznaczająca, że wyższa amplituda sygnału w.cz. odpowiada poziomowi czerni natomiast najwyższa - poziomowi impulsów synchronizacji. System ten jest odporniejszy na zakłócenia impulsowe, które powodują zaciemnienie zakłóconych punktów obrazu. Modulacja pozytywowa (wyższy poziom fali nośnej) jest subiektywnie mniej odporna na zakłócenia, ponieważ oko ludzkie odbiera rozjaśnienie obrazu jako bardziej zakłócające.

D1.1. NADAJNIK TELEWIZYJNY Z FORMOWANIEM SYGNAŁU NA CZĘSTOTLIWOŚCI POŚREDNIEJ

    Zachowanie stałego odstępu między częstotliwościami nośnymi wizji i fonii wynoszącego w systemie CCIR 5,5 MHz, a w systemie OIRT - 6,5 MHz jest znacznie łatwiejsze na częstotliwościach niższych aniżeli bezpośrednio w paśmie 70 cm. Dlatego też najbardziej rozpowszechnioną metodą generacji sygnału telewizyjnego jest zastosowanie modulatora wizji pracującego na częstotliwości pośredniej, np. 38,9 MHz, a modulatora fonii pracującego na częstotliwości 33,4 MHz. W przypadku transmisji dźwięku dwukanałowego drugi z modulatorów fonii pracuje na częstotliwości 33,157 MHz, co daje znormalizowaną częstotliwość różnicową 5,742 MHz. Układ modulatora jest identyczny z układem modulatora kanału głównego. Tak otrzymany sygnał złożony mieszany jest następnie z sygnałem z dodatkowego generatora w celu otrzymania sygnału leżącego w paśmie 70 cm. W zależności od posiadanych kwarców można zastosować inne częstotliwości pośrednie. Także ustalone w normie telewizyjnej ograniczenie pasma dolnej wstęgi sygnału telewizyjnego jest łatwiejsze na niższych częstotliwościach.

    [rys. d1_01]

    Przedstawiony na rysunku 2 układ modulatora fonii zawiera automatyczną regulację wzmocnienia dla uniezależnienia się od odległości operatora od mikrofonu. Znaczenie układu automatycznej regulacji wzmocnienia zostało omówione poprzednio. Zamiast układu przedstawionego na rysunku 1 można zastosować, po odpowiedniej przeróbce, jeden z układów przedstawionych w rozdziale poświęconym telewizji z modulacją częstotliwości.
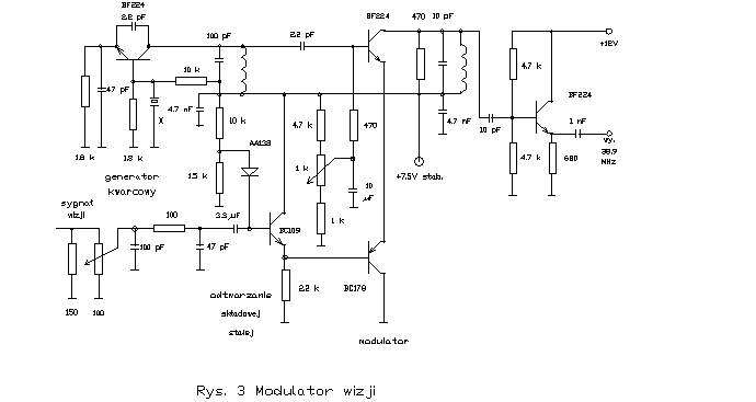
    W układzie modulatora wizji (rysunek 3) złożony sygnał wizyjny utrzymywany jest na pożądanym poziomie przez układ odtwarzania składowej stałej. Poziom impulsów synchronizacji wynosi 100 % natomiast poziom bieli - 10 %.
    Oscylator pomocniczy pracuje na częstotliwości 473,15 MHz, przy czym częstotliwość podstawowa wynosi 78,8 MHz. Układ oscylatora przedstawiony j est na rysunku 4. Na rysunku 5 przedstawiono układ mieszacza i liniowego wzmacniacza sterującego. Moc wyjściowa wzmacniacza sterującego wynosi 50 - 100 mW i jest (w połączeniu z anteną o odpowiednio dużym zysku) wystarczająca do zapewnienia łączności w zasięgu kilku kilometrów. Dla uzyskania większych zasięgów konieczne jest użycie liniowego wzmacniacza większej mocy. Wzmacniacz taki może być zbudowany na tranzystorach lub w oparciu o scalony moduł mocy. Należy tu zwrócić szczególną uwagę na zapewnienie dostatecznej liniowości toru nadawczego.

    [rys. d1_02]

    [rys. d1_03]

    [rys. d1_04]

    [rys. d1_05]


D1.1.1. SPIS CZĘŚCI

Modulator dźwięku:
oporniki: 2 x 47, 2 x 100, 330, 3 x 680, 1 k, 4 x 4,7 k, 6,8 k, 10 k, 3 x 15 k, 2 x 47 k, 3 x 100 k,
potencjometry: 4,7 k, 10 k,
kondensatory: 10 pF, 2 x 22 pF, 2 x 100 pF, 3 x 1 nF, 10 nF, 470 nF, 2 x 3,3 uF, 10 uF, 2 x 22 uF, 2 x 47 uF, 100 uF,
diody: 2 x BZY87, BA124,
tranzystory: BC108, 2 x BC109, 2 x BC178, 2 x BF224.

Modulator wizji: oporniki: 100, 150, 2 x 470, 680, 1 k, 1,5 k, 2 x 1,8 k, 2,2 k, 3 x 4,7 k, 2 x 10 k,
potencjometry: 100, 1 k,
kondensatory: 2 x 2,2 pF, 2 x 10 pF, 2 x 47 pF, 2 x 100 pF, 2 x 1 nF, 2 x 4,7 nF, 2 x 3,3 uF, 10 uF, 22 uF,
diody: AA138 (dowolna germanowa),
tranzystory: BC109, BC178, 3 x BF224,
kwarc: 38,9 MHz.

Generator pomocniczy: oporniki: 2 x 330, 1 k, 1,8 k, 2 x 2,2 k, 2 x 10 k, 15 k, 22 k,
kondensatory: 1 pF, 2,2 pF, 2,7 pF, 3 x 4,7 pF, 10 pF, 47 pF, 3 x 100 pF, 2 x 1 nF,
trymery: 3 x 2-6 pF, 3 x 3-12 pF,
kwarc: 78,8 MHz,
tranzystory: 4 x BF224.

Mieszacz i wzmacniacz mocy: oporniki: 10, 3 x 47, 2 x 100, 150, 330, 820, 4 x 1 k, 2,2 k, 3 x 4,7 k, 2 x 10 k, 2 x 12 k, 2 x 100 k,
kondensatory: 1 pF, 10 x 100 pF, 3 x 1 nF, 3 x 4,7 nF,
trymery: 6 x 2-6 pF, 3-12 pF,
tranzystory: BF223, 3 x BF224, 2 x BF245, 2N3866.



Wydanie z dn. 20.03.1999.

© Prawa autorskie Krzysztof Dąbrowski, OE1KDA.