12.2. UKŁADY NADAWCZO-ODBIORCZE



12.2.1. GENERATOR PODSTAWY CZASU

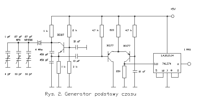
  Podstawową sprawą w transmisji sygnałów koherentnych jest uzyskanie odpowiednio stabilnej podstawy czasu, tak aby strona odbiorcza mogła spodziewać się zmiany stanu sygnału w ściśle określonych momentach czasu. Dodatkowo częstotliwość nośna stacji nadawczej musi wykazywać stabilność ok. 1 Hz. Warunek ten jest szczególnie trudy do uzyskania w pasmach UKF. Podstawa czasu musi być więc zsynchronizowana z sygnałem częstotliwości wzorcowej. Wymagana jest dokładność ok. 0,72*10^-6. Przykładowe rozwiązanie generatora synchronizującego przedstawiono na rysunku 12.2. W układzie zastosowano kwarc o częstotliwości 4 MHz pracujący w układzie rezonansu równoległego. Po podziale częstotliwości przez 4 na wyjściu uzyskiwany jest sygnał 1 MHz, który podlega podziałowi w dalszych stopniach.

    [rys. c_02]


12.2.1.1. SPIS CZĘŚCI

Oporniki: 200, 220, 2 x 1 k, 2 x 2 k, 2 x 4,7 k,
kondensatory: 1 pF, 2 x 27 pF, 2 x 450 pF (mikowe), 3 x 10 uF,
trymery: 4 pF, 2 x 30 pF,
tranzystory: BC107, 2 x BC177,
obwód scalony: 74LS74,
kwarc: 4MHz.

12.2.2. SYNCHRONIZACJA KLUCZA TELEGRAFICZNEGO

    Sygnał wyjściowy klucza telegraficznego synchronizowany jest za pomocą układu przerzutników (np. podwójnego przerzutnika 7474 jak to przedstawiono na rysunku 12.3), możliwa jest też synchronizacja za pomocą komputera o dostatecznie dokładnej podstawie czasu. W układzie z rysunku 12.3a zakończenie nadawania po otwarciu klucza następuje w momencie określonym przez sygnał podstawy czasu. Rozwiązanie z rysunku 12.3b zawiera dodatkową pamięć w celu ułatwienia pracy operatorowi. Nadawanie sygnałów koherentnych CCW wymaga od operatora pewnej wprawy, zsynchronizowanie się operatora z podstawą czasu wymaga podsłuchu własnych sygnałów za pomocą generatora akustycznego. W rozwiązaniu z rysunku 12.3a klucz telegraficzny musi pozostać naciśnięty aż do usłyszenia początku znaku. W układzie z rysunku 12.3b zapewniona jest niezależna synchronizacja początku znaku.

    [rys. c_03]


12.2.2.1. SPIS CZĘŚCI

Oporniki: 470, 1 k, 2 x 4,7 k,
tranzystory: BC107, BC177,
obwód scalony: 74C74.

12.2.3. NADAJNIKI TELEGRAFICZNE CCW

    Zawężenie pasma odbiorników stawia wysokie wymagania stabilności częstotliwości nośnej. Wymagana stabilność 1 - 2 Hz może być osiągnięta w paśmie 14 MHz za pomocą dobrego generatora kwarcowego, o ile jest on dostatecznie odseparowany od zmian obciążenia wywoływanych kluczowaniem następnych stopni. W wielu rozwiązaniach nadajników krótkofalowych niestabilność wywołana kluczowaniem dochodzi często nawet do 50 Hz. Generator kwarcowy nadajnika musi być bardzo słabo obciążony i oddzielony przez co najmniej dwa stopnie separujące od stopni kluczowanych. Zamiast generatora kwarcowego można też zastosować generator VFO synchronizowany przez generator kwarcowy za pomocą pętli synchronizacji fazowej PLL. Generator ten może być także zastosowany w układzie oscylatora odbiornika z bezpośrednią przemianą częstotliwości. Poza koniecznością zapewnienia podanej powyżej stabilności częstotliwości układy nadajników telegrafii CCW nie różnią się od rozwiązań zwykłych nadajników telegraficznych.

12.2.4. ODBIORNIKI TELEGRAFII CCW

    Odbiornik wyposażony w wąskopasmowy filtr CCW musi także wykazywać stabilność częstotliwości ok. 1 Hz w czasie trwania połączenia. Dokładność dostrojenia musi być większa niż szerokość pasma przenoszenia. Np. przy szerokości pasma przenoszenia równej 10 Hz znalezienie sygnału korespondenta wymaga 200-krotnie dłuższego czasu niż w przypadku odbiornika o szerokości pasma równej 2 kHz. Konieczność rozpoznania fazy i podstawy czasu sygnału korespondenta przedłuża czas poszukiwania do ponad 1000-krotnego. W praktyce wymaga to wstępnego ustalenia częstotliwości roboczej i fazy sygnału korespondenta.
    Jako odbiornik telegrafii CCW może być zastosowany dowolny układ odbiorczy spełniający podane powyżej wymagania co do stabilności częstotliwości i zapewniający wymaganą dokładność dostrojenia. Na jego wyjściu dołączony jest filtr koherentny, którego dokładny schemat podano na rysunkach 12.4 i 12.5.

    [rys. c_04]

    [rys. c_05]

    Filtr ten odpowiada przedstawionemu na rysunku 12.1 schematowi blokowemu. Układ generujący impulsy sterujące w oparciu o sygnał zegarowy 1 MHz przedstawiono na rysunku 12.6.

    [rys. c_06]

    Uzyskanie wąskiego pasma przenoszenia odbiornika telegraficznego CCW wymaga podjęcia odpowiednich kroków konstrukcyjnych w torach p.cz. i w.cz., a nie tylko w torze m.cz., ponieważ stopnie wstępne mogą być zatkane przez sygnały zakłócające. Pożądane jest więc użycie odpowiednio wąskopasmowego filtru kwarcowego p.cz. Wszystkie znane telegrafistom problemy, jak dzwonienie filtrów wąskopasmowych, czy wpływ niestabilności termicznej kwarców wystąpują tu silniej niż w przypadku zwykłych filtrów telegraficznych ze względu na mniejszą szerokość pasma. Gotowe filtry o odpowiednich właściwościach są nawet na zachodzie trudno dostępne i drogie, dlatego też krótkofalowcom pozostaje jedynie własna konstrukcja.

12.2.4.1. SPIS CZĘŚCI

Oporniki: 2 x 10 k, 20 k, 2 x 47 k, 2 x 82 k, 16 x 100 k, 150 k, 2 x 470 k, 2 x 1M,
potencjometry: 2 x 100 k,
kondensatory: 4 x 33 pF, 2 x 150 pF, 7 x 10 nF, 2 x 47 nF, 2 x 470 nF,
obwody scalone: 2 x LM358, 2 x CA3130, 3 x CD4066, 3 x 74C74, 4 x 74C90, CD4011, 2 x CD4017.



Wydanie z dn. 20.03.1999.

© Prawa autorskie Krzysztof Dąbrowski, OE1KDA.