7.9. WYPOSAŻENIE NADAWCZO-ODBIORCZE SSTV


  Analogicznie jak dla emisji faksymile w skład wyposażenia stacji SSTV wchodzi oprócz urządzenia nadawczo-odbiorczego KF lub UKF modem (konwerter) SSTV i komputer z odpowiednim oprogramowaniem. Wybór sprzętu nadawczo-odbiorczego SSTV jest obecnie bardziej urozmaicony niż dla emisji faksymile. Spośród wielofunkcyjnych kontrolerów TNC jednak jedynie kontroler MFJ-1278(T) pozwala na nadawanie i odbiór obrazów SSTV w połączeniu z programami MULTICOM lub MFJCOM. Innym wielofunkcyjnym kontrolerem dostosowanym do pracy emisjami faksymile i SSTV jest PTC-II firmy SCS. Jest on wyposażony w procesor sygnałowy i w pierszym rzędzie przewidziany do pracy emisjami PACTOR-I, PACTOR-II, AMTOR, RTTY, CW i pakiet radio (po dodaniu odpowiedniego modemu). Niestety jest to urządzenie ponad dwukrotnie droższe od wielofunkcyjnego kontrolera TNC i ponad 4-krotnie droższe od zwykłego kontrolera TNC.
    Stosunkowo najprostszym i najtańszym rozwiązaniem jest użycie jednego z opisanych powyżej konwerterów JVFAX/Hamcom w połączeniu z programami JVFAX, GSH-PC, MSCAN lub EZSSTV. Wcześniejsze wersje programu JVFAX (do wersji 5.1 włącznie) pozwalały jedynie na odbiór emisji SSTV, wersja 6.0 i następne pozwalają na jej nadawanie. Są to rozwiązania najbardziej rozpowszechnione również w krajach zachodnich.
    Na rynkach zachodnich dostępne są bardziej skomplikowane konwertery faksymile podobnych do wspomnianego konwertera satelitarnego z wyjściem cztero- lub ośmiobitowym i ewentualnie także z dodatkowym wyjściem impulsów synchronizacji. Wyjście impulsów synchronizacji połączone jest z dwoma najniższymi bitami, co ogranicza efektywną liczbę odcieni szarości do 64. Oprócz konwerterów podłączanych do złącza szeregowego dostępne są także konwertery dla złącza drukarki j.np. "View Port" współpracujący z programami VPVGA, FAX480, JVFAX, HISCAN i MSCAN.
     Rozpowszechnione są także konwertery wyposażone we własny układ mikroprocesorowy. Najczęściej zawierają one ośmiobitowe procesory z rodziny 8051 (80C31, 80C32 albo 80C552). Są to już właściwie inteligentne kontrolery o funkcjach analogicznych do kontrolera TNC i pozwalające na pracę nie tylko emisją SSTV ale i faksymile, zarówno FM jak i AM (odbiór map satelitarnych). Większość z konwerterów przewidziana jest do współpracy z programem JVFAX. Typowymi przedstawicielami tego typu konwerterów są "Easy Fax", "HariFax", BO-SSTV, SC-1, SC-2, SC-3 (jest to udoskonalona wersja konwertera BO-SSTV) i SC-4. W krajach zachodnich rozwiązania te znajdują się na trzecim miejscu pod względem rozpowszechnienia za komparatorem JVFAX i wykorzystaniem płytki fonicznej jako modemu.
    Najnowsze generacje kontrolerów zawierają już procesory sygnałowe i pracują na zasadzie cyfrowej obróbki sygnałów (COS). Są one jednak narazie dosyć drogie i z tego powodu mało rozpowszechnione. Przykładem konwertera COS jest "EasyDSP" współpracujący z programami MSCAN, GSH-PC, JVFAX, EZSSTV i JVComm95. Innym korzystnym rozwiązaniem jest użycie jako modemu płytki fonicznej ("Soundblaster" lub podobne), która zawiera już przetworniki analogowo-cyfrowe i cyfrowo-analogowe oraz układy cyfrowej obróbki sygnałów. Jednym z programów wykorzystujących płytki foniczne jest Win95-SSTV, który jak sama nazwa wskazuje pracuje pod systemem operacyjnym Windows 95, a innym WinPix pracujący również pod systemem Windows 3.1. Ponieważ płytki foniczne wykorzystywane są także jako modemy nadawczo-odbiorcze pakiet radio jest to rozwiązanie bardzo opłacalne i pod względem rozpowszechnienia znajduje się na drugim miejscu za komparatorem JVFAX. Jedyną wadą tego rozwiązania jest konieczność dodania układu przełącznika nadawanie-odbiór ponieważ płytki foniczne nie dysponują odpowiednim wyjściem. Jako przełączniki stosowane są najczęściej proste układy tranzystorowe (podobne do układów zawartych w konwerterze JVFAX) podłączone do złącza szeregowego komputera lub układy pracujące na zasadzie VOX-u i sterowane akustycznym sygnałem wyjściowym płytki fonicznej.
    Program JVFAX pozwala także na korzystanie z kilku z opisanych norm o dłuższym czasie trwania obrazu, oprócz normy podstawowej. Podobnie jak w przypadku systemu faksymile, JVFAX pozwala na rejestrację obrazów SSTV w formacie GIF, zestawianie odebranych obrazów w filmy oraz nadawanie obrazów pochodzących z dowolnego źródła i zarejestrowanych w formacie GIF. W przypadku korzystania z popularnych programów graficznych konieczne może być dokonanie konwersji formatu obrazu. Typowymi formatami są formaty TIFF, CUT, PCX lub IMG. Jako konwertera formatu można użyć np. programu Graphic Workshop odczytujący i zapisujący ok. 20 najbardziej rozpowszechnionych formatów graficznych. Następcą JVFAX pracującym pod systemem operacyjnym Windows 95 będzie najprawdopodobniej JVComm95 autorstwa DK8JV, w obecnej wersji współpracuje on jednak jedynie z drogim i dostępnym tylko w Niemczech konwerterem "EasyDSP". Oprócz modem-komparatora JVFAX może współpracować z konwerterami "EasyFax", "HariFax", MMI i "ViewPort" (konieczny jest tu dodatkowy program rezydentny). Program wyposażony jest we wskaźnik dostrojenia (gęstości widma) wyposażony w znaczniki ułatwiające dostrojenie nie tylko do sygnału faksymile ale i SSTV. JVFAX nadaje i interpretuje kody VIS.
    W amatorskich skrzynkach elektronicznych pakiet radio spotykane są także rozwiązania podobne do programu JVFAX i również wymagające jedynie zastosowania prostego konwertera sygnału. Rozwiązania konwerterów różnią się między sobą, są jednak przeważnie podobnie proste jak konwerter JVFAX. Przykładem może być program FAXSSTV.
    Innym rozpowszechnionym programem pracującym pod systemem operacyjnym DOS i współpracującym z modemem-komparatorem jest GSH-PC. Program stawia niewysokie jak na obecny stan techniki wymagania odnośnie wyposażenia komputera i pracuje prawidłowo na komputerach wyposażonych w procesory 80386 i kontroler graficzny SVGA. Program pozwala na wykorzystanie obrazów w wielu formatach graficznych jak GIF, JPG, CMP, PCX, TGA, BMP i TIF.
    Program PASOKON-TV współpracuje z wewnętrzną płytką kontrolera dla komputerów klasy AT i pozwala na odbiór i nadawanie emisji SSTV i faksymile w różnych standardach. W obu przypadkach możliwa jest transmisja obrazów czarno-białych i kolorowych. Obrazy zapisywane są w formatach GIF, PCX i TGA. Konwerter wyposażony jest w układ mikroprocesorowy i procesor sygnałowy 68901. Może on także współpracować z układami digitalizacji obrazów. Jego uproszczone wersje PASOKON-LITE i EZSSTV współpracują z modemem-komparatorem JVFAX.
    Program BO-SSTV dla komputerów AT przewidziany jest do współpracy z konwerterem mikroprocesorowym podłączonym do złącza szeregowego. Pozwala on na transmisję obrazów czarnobiałych i kolorowych we wszystkich typowych normach SSTV. Jego następcą dla systemu operacyjnego Windows 95 jest BOWIN95 współpracujący z konwereterami SC-3 i SC-4. Specjanie dla konwertera SC-3 opracowany został program "Charlie" pracujący pod systemami Windows 3.1 i Windows 95.
    Pracę emisjami SSTV i faksymile za pomocą komputera Amiga umożliwia konwerter mikroprocesorowy ScanMate.

7.9.1. PROGRAM WIN95-SSTV

    Program ten opracowany przez N7CXI i VE3EC jest dostępny również w wersji niezarejestrowanej co przesądziło o jego popularności. Jest to program 32-bitowy pracujący wyłącznie pod systemami Windows 95 i Windows 98 i wykorzystujący jako modem płytkę foniczną "Soundblaster" lub podobną. Program charakteryzuje się łatwą obsługą, jest wyposażony w prosty edytor graficzny, okno nadawczo-odbiorcze, okno zawierające galerię miniatur i wskaźnik dostrojenia (gęstości widma odbieranego sygnału). Ostatnie jego wersje zawierają także programowy filtr cyfrowy redukujący wpływ zakłóceń i programowy detektor wizyjny pozwalający na znianę ostrości odbieranych obrazów (wyostrzenie lub rozmycie krawędzi).

7.9.2. AUTOMATYCZNY PRZEŁĄCZNIK N-O

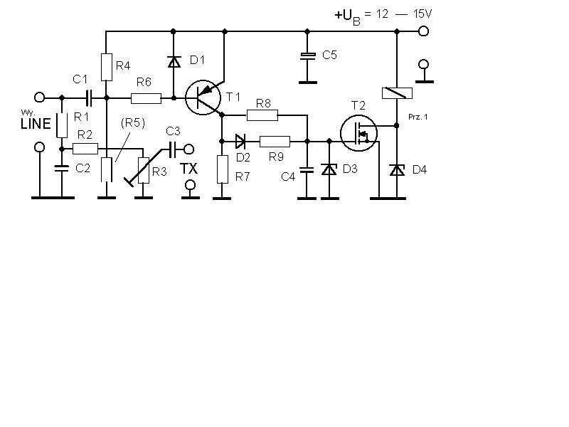
    Na rys. 7.5 przedstawiony jest schemat automatycznego przełącznika nadawanie-odbiór (VOX) sterowanego akustycznym sygnałem wyjściowym z płytki fonicznej pochodzącym z wyjścia linii ("Line"). Sygnał ten (a dokładniej jego ujemna połówka fali) po wzmocnieniu za pomocą tranzystora T1 i wyprostowaniu przez diodę D2 steruje przekaźnik "Prz. 1" poprzez tranzystor polowy (MOSFET) T2. Próg czułości układu ustalany jest za pomocą opornika R5. Stała czasu R8C4 musi być wystarczająco duża aby przekaźnik nie opadł w czasie dodatniej połówki fali podnośnej. Po upływie ok. 0,1 sek od zakończenia transmisji oba tranzystory przechodzą w stan zatkania i przekaźnik opada przełączając radiostację na odbiór. Potencjometr R3 służy do ustawienia właściwego poziomu sygnału podawanego na wejście mikrofonowe nadajnika (zaciski TX). Opornik R2 należy dobrać tak aby nadajnik był co najwyżej lekko przesterowany w górnej pozycji suwaka potencjometru R3. Diody Zenera D3 i D4 zabezpieczają tranzystor T2 przed przepięciami.

    [rys. 7_05]


7.9.2.1. SPIS CZĘŚCI

Ozna
czenie
Wartość Ozna
czenie
Wartość Ozna
czenie
Wartość
C1 100 - 220 nF R1 2,7 k R8 100 k do 220 k
C2 22 nF R2 10k (dobrać) R9 1k do 1k5
C3 100 - 220 nF R3 1k (ew. do 5k ) D1 1N4148
C4 0,47 - 1 ľF (nie elektolit) R4 6k8 do 10k D2 1N4148 lub Schottkiego
C5 22 - 47 ľF R5 1 M do 220 k D3 dioda Zenera 12 V
T1 BC 308B lub pod. R6 1k2 do 2k2 D4 dioda Zenera 18 V
T2 BS170 R7 4k7 do 6k8 Prz. 1 12 V

    Przełącznik można wykorzystać także w trakcie pracy innymi emisjami, jeżeli jako modem wykorzystana jest płytka muzyczna np. do pracy emisją PSK31.



Wydanie z dn. 20.03.1999.

© Prawa autorskie Krzysztof Dąbrowski, OE1KDA.