7.5. KONWERTER SATELITARNY FAKSYMILE


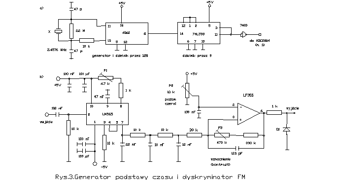
  W transmisjach satelitów meteorologicznych stosowany jest bardziej złożony system modulacji (modulacja AM-FM): podnośna 2400 Hz modulowana jest sygnałem wizyjnym faksymile, a następnie ten złożony sygnał moduluje nadajnik FM. Zapobiega to zmianie jasności obrazu wskutek występowania efektu Dopplera. Dlatego też w przedstawionym na rysunku 7.2 konwerterze sygnał wyjściowy z odbiornika FM podawany jest na demodulator AM zrealizowany na diodach D1 i D2 oraz wzmacniaczu operacyjnym U2. Po odfiltrowaniu resztek podnośnej 2400 Hz sygnał wizyjny faksymile podawany jest przez wtórnik napięciowy na wejście przetwornika analogowo-cyfrowego. W układzie użyto popularnego typu ADC0804, można tu jednakże zastosować dowolny typ przetwornika ośmiobitowego. Sygnały wyjściowe przetwornika (wartości czterech najwyższych bitów) podawane są na wejścia DCD, RI, DSR i CTS złącza RS-232 po uprzednim dopasowaniu poziomów. Do tego celu można użyć popularnego obwodu scalonego MC1488 (albo jego odpowiednika innej firmy) lub droższego układu MAX232. Obwód MAX232 zawiera przetwornicę dostarczającą napięć +/-12 V i wymaga zasilania jedynie napięciem +5 V. Obwód MC1488 zasilany jest napięciami +12 V i -12 V. W najprostszym przypadku układ dopasowania poziomu może składać się z czterech bramek CMOS lub czterech stopni tranzystorowych zasilanych jedynie napięciem +12 V. Sygnał zegarowy (określający częstotliwość przetwarzania sygnału na postać cyfrową) dostarczany jest przez generator zbudowany na obwodzie LM555. Zamiast niego można użyć generatora kwarcowego i toru dzielników częstotliwości TTL lub CMOS. Schemat generatora i dzielników opartych na obwodach scalonych 4060 i 74LS90 przedstawiono na rysunku 7.3a. W przypadku użycia kwarcu o innej częstotliwości, należy odpowiednio dobrać stosunek podziału.
    Konwerter ten może być także użyty do odbioru transmisji faksymile z modulacją częstotliwości. W tym celu należy przerwać połączenie między detektorem amplitudy i filtrem w punkcie X i włączyć w to miejsce układ dyskryminatora częstotliwości. Przykładowy układ dyskryminatora oparty na scalonej pętli synchronizacji fazy LM565 przedstawiono na rysunku 7.3b. Obwód pętli musi być zestrojony, tak aby pętla pozostawała w stanie synchronizacji w zakresie od 3 kHz do 5 kHz (dwupołówkowy detektor amplitudy powoduje podwojenie częstotliwości sygnału wejściowego). Potencjometr P2 na wejściu wzmacniacza służy do ustalenia poziomu czerni obrazu, a potencjometr P3 (regulacja wzmocnienia) - do ustawienia kontrastu.
    Czterobitowy sygnał wyjściowy konwertera pozwala na reprodukcję obrazu w 16 odcieniach szarości. Do odbioru obrazów można użyć tu również programu JVFAX. Program JVFAX wyposażony jest we wskaźnik dostrojenia wyświetlany na ekranie, wiele z pozostałych, omówionych tu programów nie ma niestety tej możliwości. Układ konwertera można wówczas uzupełnić wskaźnikiem dostrojenia złożonym z dowolnego dekodera dwójkowego (16 wyjść z czterech bitów) np. obwodu scalonego 74154, jego dowolnego odpowiednika z serii TTL lub CMOS albo odpowiednio połączonych dwóch dekoderów 8-z-3. Wejścia dekodera sterowane są sygnałami cyfrowymi pochodzącymi z przetwornika analogowo-cyfrowego, natomiast na wyjściach włączone są diody świecące z odpowiednimi opornikami szeregowymi. Otrzymany w ten sposób (16-diodowy) wskaźnik jest w praktyce wystarczający.

    [rys. 7_02]

    [rys. 7_03]


7.5.1. SPIS CZĘŚCI

Konwerter:
oporniki: 220, 3,3 k, 6,8 k, 6 x 10 k, 2 x 27 k,
potencjometry: 4,7 k, 2 x 10 k,
kondensatory: 100 pF, 1 nF, 3 x 4,7 nF, 10 nF, 4 x 100 nF,
diody: 2 x AA112 lub inne germanowe,
obwody scalone: 3 x LM741, LM555, ADC0804, MAX232 (lub MC1488).

Generator podstawy czasu:
oporniki: 10 k, 2,2 M,
kondensatory: 2 x 47 pF,
obwody scalone: 4060, 74LS90, 74LS00,
kwarc: 2,4576 MHz.

Dyskryminator częstotliwości:
oporniki: 2 x 1 k, 4 x 10 k, 39 k, 390 k,
potencjometry: 4,7 k, 10 k, 470 k,
kondensatory: 120 pF, 2 x 10 nF, 22 nF, 47 nF, 3 x 100 nF, 2 x 100 uF,
obwody scalone: LM565, LF355,
dioda krzemowa dowolnego typu.

7.5.2. PRZEMIENNIK 137/144 MHZ

    Sygnały satelitów meteorologicznych mogą być odbierane w pasmach 137 MHz i 1694 MHz. W paśmie 137 MHz transmitowane są obrazy widziane bezpośrednio przez "kamery" satelity, natomiast w paśmie 1794 MHz retransmitowane są obrazy wzbogacone komputerowo na ziemi o dodatkowe dane (np. kontury kontynentów). Do odbioru sygnałów w paśmie 137 MHz można użyć posiadanej radiostacji FM na pasmo 144 MHz po dodaniu przemiennika częstotliwości 137/144 MHz. Przykład rozwiązania takiego przemiennika przedstawiono na rysunku 7.4.

    [rys. 7_04]

    W wielu dostępnych na rynku radiostacjach na pasmo 144 MHz można łatwo rozszerzyć pasmo odbierane, tak że przemiennik powyższy nie zawsze jest konieczny. Czasami trzeba jednak zastosować przedwzmacniacz. Może to być jednotranzystorowy przedwzmacniacz własnej konstrukcji lub lekko przestrojony przedwzmacniacz fabryczny na pasmo 2 m.

7.5.3. SPIS CZĘŚCI

Oporniki: 2 x 470, 2,2 k, 5,1 k,
kondensatory: 12 pF, 2 x 15 pF, 33 pF, 56 pF, 2 x 75 pF, 4 x 470 pF, 4,7 nF, 22 nF,
tranzystor: BF180 lub podobny tranzystor w.cz.,
obwód scalony: UL1042 (S042),
kwarc: 7 - 8 MHz,
cewki (drut 1 mm srebrzony, średnica nawinięcia 8 mm): L1 - 3 zwoje, odczep po 1 zwoju, L2 - 3 zwoje, L3 - 1 zwój, L4 - 3 zwoje i L5 - 1 zwój.



Wydanie z dn. 20.03.1999.

© Prawa autorskie Krzysztof Dąbrowski, OE1KDA.