2. TELEGRAFIA DALEKOPISOWA - RTTY



2.1. PODSTAWY

  Klasyczna emisja dalekopisowa jest emisją asynchroniczną start-stop. Oznacza to, że każdy ze znaków poprzedzony jest bitem startu, a jego zakończenie sygnalizowane jest jednym lub większą liczbą bitów stopu. Synchronizacja strony odbiorczej musi być zapewniona tylko przez czas trwania znaku, a odstępy między znakami mogą być dowolnie długie. Znaki nadawane są po kolei bez jakiegokolwiek grupowania w bloki czy dodatkowej informacji zarządzającej transmisją lub ułatwiającej wykrycie błędów i przekłamań. Brak jest więc jakiegokolwiek protokółu transmisji.
    W kablowej transmisji dalekopisowej poziom jedynki logicznej, zwany "mark" odpowiadał przepływowi prądu o wartości ok. 20 mA, poziom zera logicznego ("space") - przerwie w obwodzie. Na rozpowszechnionym w technice komputerowej złączu szeregowym RS-232 sygnał "space" odpowiada napięciu +12V, a sygnał "mark" - -12V. W przerwie między znakami nadawany jest sygnał "mark", co oznacza, że sygnalizacja początku znaku musi być dokonana za pomocą sygnału przeciwnego - "space". Po sygnale startu nadawana jest treść znaku w kolejności od najmłodszego (najmniej znaczącego, ang. LSB) bitu do najstarszego (najbardziej znaczącego, ang. MSB). Liczba bitów w znaku zależna jest od przyjętego alfabetu (kodu). W praktyce amatorskiej stosowane są:
- kod Baudota (alfabet telegraficzny nr. 2),
- kod ASCII (alfabet telegraficzny nr. 5).
    W pierwszym przypadku długość znaku wynosi pięć bitów, a w drugim osiem, przy czym ósmy bit może być wykorzystany jako bit parzystości lub mieć wartość stałą. Na zakończenie nadawany jest sygnał stopu o wartości logicznej "mark" i długości półtora bitu w kodzie Baudota lub jednego bitu w kodzie ASCII. Ponieważ jest to transmisja asynchroniczna, długości sygnału stopu należy rozumieć jako długości minimalne (występujące np. w transmisji uprzednio przygotowanych tekstów lub zbiorów danych), a rzeczywiste odstępy między znakami mogą być dowolnie długie w zależności od szybkości pisania na klawiaturze w przypadku prowadzenia dialogu. Dodawanie bitów startu i stopu zwiększa długość znaków i powoduje zmniejszenie efektywnego wykorzystania kanału transmisyjnego, jednak zasadniczą zaletą transmisji asynchronicznej jest jej prostota.
    Stosowanymi w praktyce krótkofalarskiej szybkościami transmisji są 45,45 bit/s (w USA) i 50 bit/s (w Europie i reszcie świata). Dla stosowanej najczęściej dwutonowej modulacji z przesuwem częstotliwości (FSK) odpowiada to szybkościom modulacji odpowiednio 45,45 i 50 bodów.
    W amatorskich łącznościach RTTY stosowana jest modulacja AFSK, przy czym wartości "space" odpowiada częstotliwość 1275 Hz, a "mark" - w zależności od stosowanej dewiacji 1425, 1700 lub 2125 Hz. Dla zmniejszenia wpływu zakłóceń i zaników selektywnych na falach krótkich stosowany jest odstęp 850 Hz, natomiast w pasmach UKF - 170 Hz. Stacje komercyjne stosują często odstęp 425 Hz. Dopuszczalny przez regulaminy radiokomunikacyjne odstęp częstotliwości nie powinien przekraczać 900 Hz.
    Dla amatorskich łączności dalekopisowych przewidziane są następujące podzakresy:

Zakres KF (kHz) Zakres UKF (MHz)
3580 - 3620 144,500 - 144,990
7035 - 7045 145,300
10140 - 10150 431,525 - 432,000
14075 - 14099 432,500 - 432,800
18100 - 18110 433,300
21080 - 21120 433,600 - 434,575
24920 - 24930 439,125 - 440,000
28050 - 28150  


    Podane granice podzakresów należy traktować jako orientacyjne. W pasmach UKF przyznane są też dodatkowo kanały dla stacji przekaźnikowych RTTY. W paśmie 2 m jest to kanał RT2 - 144,640/145,840 (MHz) i kanał skrośny RT1 - 432,595/144,595 (MHz), a w paśmie 70 cm kanały R66 - 430,950/438,550, R67 - 430,975/438,575, R68 - 431,000/438,600 i R69 - 431,025/438,625 (MHz). Kanały R66 - R69 przeznaczone są dla przekaźników multimedialnych tzn. mogą pracować w nich przekaźniki dalekopisowe, faksymile SSTV itp.
    Emisję RTTY w zakresach UKF już prawie całkowicie wyparła emisja pakiet radio, dlatego też części podanych powyżej podzakresów wykorzystywane są przez stacje systemu pakiet radio. W podzakresach tych stosowane są także opisane dalej emisje AMTOR, PACTOR, CLOVER i G-TOR.

2.2. MODEM

    Jednym z prostych rozwiązań modemu RTTY może być przedstawiony tu układ zawierający obwody XR2206 i LM567. Tor odbiorczy modemu dostrojony jest tylko do jednej z częstotliwości akustycznych. Odbiór jednotonowy odpowiadający odbiorowi fali kluczowanej amplitudowo, chociaż ma najgorsze charakterystyki szumowe w porównaniu z innymi metodami kluczowania i daje stosunkowo największe prawdopodobieństwo wystąpienia błędów odbioru jest jednak rozwiązaniem najprostszym i stosowanym nie tylko przez krótkofalowców. Jest on w praktyce wystarczający w zakresach UKF, a na falach krótkich bywa stosowany dla wyeliminowania wpływu zakłóceń lub zaników selektywnych.
    Układ może być skonstruowany i uruchomiony przez przeciętnie wyposażonego i doświadczonego krótkofalowca. Może on być podłączony do dowolnego komputera wyposażonego w złącze RS-232 lub do komputera Commodore 64. Wykorzystywane są jedynie sygnały RXD, TXD i masa, a więc w tej samej kolejności nóżki 2, 3 i 5 na 9-nóżkowym wtyku RS-232 (3, 2 i 7 na wtyku 25-nóżkowym) lub wtyki C + B, M i N na wejściu "USER PORT" komputera Commodore 64. Ponieważ sygnały na złączu RS-232 mają pojaryzację odwróconą w stosunku do poziomów napięć TTL (jedynce logicznej odpowiada -12V), w układzie przewidziane są dodatkowe inwertery (obwód scalony 4011). W przypadku połączenia z komputerem Commodore 64 są one zbędne i mogą być pominięte.
    Obwód scalony XR2206 jest generatorem sygnałów sinusoidalnych, trójkątnych i prostokątnych pracującym w zakresie do 1 MHz bez potrzeby stosowania obwodów rezonansowych LC. Jest on wyposażony w wejścia umożliwiające modulację AM, FM i kluczowanie FSK sygnału wyjściowego. Sygnał wyjściowy wykazuje zniekształcenia nieliniowe nie przekraczające 2%. Z tych powodów jest on stosowany dość szeroko w układach modemów i prostych generatorów sygnałowych. Zestrojenie części nadawczej modemu polega na ustawieniu wartości potencjometrów dołączonych do nóżek 7 i 8, tak aby uzyskać odpowiednio częstotliwości "mark" i "space" w zależności od poziomu logicznego sygnału wejściowego FSK na nóżce 9. Część odbiorcza zbudowana jest na bardzo popularnym układzie pętli synchronizacji fazowej (PLL) wyposażonym w detektor stanu synchronizacji - LM567. Odbiór tonu leżącego w paśmie przenoszenia (zakresie synchronizacji) pętli powoduje zmianę stanu wyjścia (8) z jedynki na zero logiczne. Maksymalna częstotliwość pracy obwodu dochodzi do 500 kHz. Zestrojenia układu odbiorczego najłatwiej dokonać podając na jego wejście sygnał o częstotliwości odpowiadającej poziomowi "space" i doprowadzając pętlę potencjometrem włączonym pomiędzy nóżki 5 i 6 do stanu synchronizacji. W modemach przeznaczonych do pracy z większymi szybkościami transmisji należy użyć obwodu scalonego XR2211.
    Zmiana poziomu sygnału wejściowego z "mark" na "space" powoduje wyzwolenie (a następne zmiany - podtrzymanie) multiwibratora monostabilnego 74LS123, który przez tranzystor T1 włącza nadajnik (PTT). Stała czasu multiwibratora powinna wynosić kilka sekund, aby umożliwić operatorowi naciśnięcie następnego klawisza, nie za długo jednak, aby nie tracić początku relacji korespondenta. Jest to więc w zasadzie układ automatycznego przełączania (VOX), który może być wykorzystany i w modemach dla innych rodzajów emisji (np. SSTV/faksymile). Modem zasilany jest napięciem zewnętrznym doprowadzonym z radiostacji lub z oddzielnego zasilacza. Napięcie zasilające może wynosić 9 - 12 V, niewielkie jego zmiany nie mają istotnego wpływu na generowaną częstotliwość. Obwody logiczne i obwód PLL zasilane są napięciem stabilizowanym 5 V.

2.2.1. SPIS CZĘŚCI

Oporniki: 180, 2,2 k, 5 x 3,9 k, 8,2 k, 3 x 22 k, 56 k,
Potencjometry: 2 x 10 k, 2 x 20 k, 100 k,
Kondensatory: 56 pF, 3,3 nF, 3 x 0,1 mF, 3 x 0,1 mF, 2 x 0,47 mF, 1 mF, 47 mF,
Diody: dioda zenera 4,7 V,
Tranzystory: BC301 lub podobny,
Obwody scalone: XR2206, NE567, 4011, 74LS123, 7805,
Wtyczka mikrofonowa lub DIN (diodowa), wtyk RS-232,

    [rys.2_01]

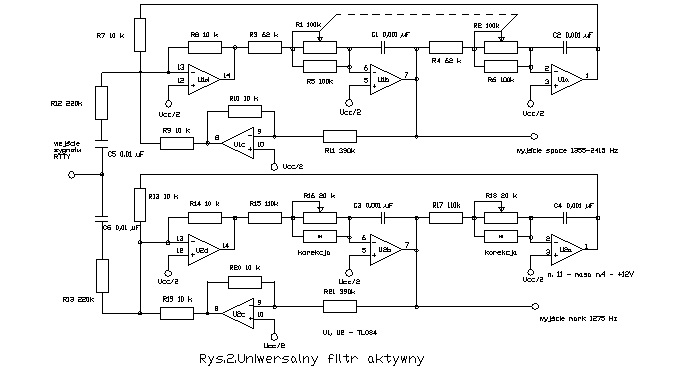
    Układy wyposażone w pętlę synchronizacji fazy pracują poprawnie tylko przy stosunkowo niewielkim poziomie zakłóceń, a więc np. w pasmach UKF. Na falach krótkich konieczne byłoby rozbudowanie układu o filtr aktywny na wejściu (rys. 2) lub użycie modemu filtrowego, a także wyposażenie radiostacji w odpowiednio wąskopasmowe filtry p.cz. i m.cz.

    [rys.2_02]

    Zamiast obwodu LM567 w torze odbiorczym można użyć dowolnego innego układu PLL np. XR2211 lub LM565. Wiele z rozpowszechnionych programów komunikacyjnych wykorzystuje sygnał RTS do przełączania nadawanie-odbiór. Zbędny staje się wówczas układ multiwibratora (VOX).
    Generator nadawczy może być także użyty (po odpowiednim przestrojeniu) w układach modemów pakiet radio, faksymile i SSTV. Obwód XR2206 może być zastąpiony obwodem ICL8038. Wymaga to jednak pewnych zmian w układzie.
    
2.3. PROGRAMY NADAWCZO/ODBIORCZE.

    Do współpracy z modemem można użyć prostego programu komunikacyjnego. Podany poniżej przykładowy program napisany jest w języku BASIC dla komputera Commodore 64. Pomimo swojej prostoty i braku komfortu w obsłudze (w trakcie pracy nie można zmieniać parametrów transmisji) może on stanowić dobrą podstawę do własnych opracowań, zwłaszcza dla posiadaczy nietypowych komputerów, które nie mają gotowego oprogramowania. W nawiasach kwadratowych podałem oznaczenia klawiszy, których symbol graficzny byłby trudny do przedstawienia w druku, lub niejednoznaczny. Tekst nadawany wyświetlany jest w negatywie w odróżnieniu od odbieranego. Można to łatwo zmienić usuwając lub dodając w innym miejscu kombinacje [rvson] i [rvsoff]. Klawisz funkcyjny F1 wymusza przełączenie na odbiór liter, jest to ważne czasami w przypadku wystąpienia zakłóceń w odbiorze.
    Użyte dalej w nawiasach kwadratowych skróty oznaczają:
clr.......    klawisze "shift" i "clr/home", wciśnięte jednocześnie
rvson         klawisze "ctrl" i "9", wciśnięte jednocześnie
rvsoff        klawisze "ctrl" i "0", wciśnięte jednocześnie
C=            klawisz "Commodore"
f1 - f8       klawisze funkcyjne
blk           klawisze CTRL i 1, wciśnięte jednocześnie

1	rem rtty trx v.3.11.84
2	rem K.Dąbrowski
10	print [clr] : rem kasowanie ekranu
20	close 1
30	open 1,2,0,chr$(1+96) + chr$(0+0+0)
31	rem 50 bodów, 5 bit, 1 stop, sygnały "handshake" wyłączone, parity 0
35	dim b$(63) : rem deklaracja tabeli konwersji
36	restore : for i = 0 to 63 : read b$(i) : next
40	rem inicjalizacja tabeli konwersji i złącza szeregowego
50	x = 0 : rem litery
60	get#1,c$ : if len(c$) <> 0 then gosub 80 : rem odbiór
70	get x$ : if x$ = "[f1]" then x = 0 : goto 60 : rem "f1" - wł.liter
71	if len(x$) <> 0 then gosub 1000 : rem tx
75	goto 60 : rem pętla główna
80	a = asc(c$) : if b$(a) = "CR" then print chr$(13) : return
90	p = pos(x) : if p = 40 then print : rem automatycznie nowa linia
100	if a = 27 then x = 32 : return : rem odebrane cyfry
110	if a = 31 then x = 0 : return : rem odebrane litery
120	print b$(a + x); : return
190	rem dane do konwersji ascii <-> baudot
200	data $,E,"",A," ",S,I,U,CR,D,R,J,N,F,C
210	data K,T,Z,L,W,H,Y,P,Q,O,B,G
220	data "",M,X,V,"","",3,"",-," ",',8,7,CR,$
230	data 4,*,",",!,":",(,5,"''"),2,"",6,0,1,9,?,&,""
240	data .,/,=,""
1000	if x$ = chr$(13) then 2000
1040	gosub 5000
1050	if n > 32 then 3000 : rem nadawanie cyfr i znaków przestankowych
1060	if n < 32 then 4000 : rem nadawanie liter
1100	print [rvson]"x$"[rvsoff]; : rem wyświetlanie
1110	print#1,chr$(n); : rem nadawanie
1130	return
2000	n = 2
2010	print#1,chr$(8); : rem nadanie znaków lf/cr po naciśnięciu "return"
2020	goto 1110
3000	if y = 1 then n = n - 32 : goto 1100
3010	y = 1 : n = n - 32 : print#1,chr$(27); : rem włączenie cyfr
3020	goto 1100
4000	if y = 2 then 1100
4010	y = 2 : print#1,chr$(31); : rem włączenie liter
4020	goto 1100
5000	for i = 0 to 63 : rem przeszukiwanie tabeli konwersji
5010	if x$ = b$(i) then n = i : i = 63 + 10
5020	next i
5030	return

    W linii 30 podane są wartości inicjalizujące złącze szeregowe w postaci sumy dla łatwiejszej identyfikacji poszczególnych parametrów. Pierwsze słowo kontrolne składa się z trzech elementów określających szybkość transmisji, długość transmitowanego znaku oraz liczbę bitów stopu. Wartości te podaję poniżej w postaci dziesiętnej; czytelnicy znający system dwójkowy łatwo przeliczą je na pozycje poszczególnych bitów.
Szybkość transmisji:
wartość 1 odpowiada    50   bit/s,
        2              75   bit/s,
        3             110   bit/s,
        4             134,5 bit/s,
        5             150   bit/s,
        6             300   bit/s,
        7             600   bit/s,
        8            1200   bit/s,
        9            1800   bit/s,
       10            2400   bit/s.
Długość słowa:
wartość      0 odpowiada     8   bitom,
            32               7   bitom,
            64               6   bitom,
            96               5   bitom.
Liczba bitów stop: 
wartość   0 odpowiada     1   bitowi,
        128               2   bitom.

    Długość półtora bitu nie jest tu wogóle przewidziana, zastosowana długość jednego bitu okazała się w praktyce poprawna.
    Drugie słowo kontrolne definiuje bit parzystości (ang. parity) i decyduje o włączeniu lub wyłączeniu sygnałów sterujących (ang. handshake).
Wartość    0 odpowiada wyłączeniu sterowania,
           1 odpowiada jego włączeniu,
           0 pełny dupleks,
          16 pół-dupleks,
Wartość    0 bit parzystości nieużywany,
          32 bit nieparzysty,
          64 parzysty,
         160 odpowiada poziomowi "mark",
         204 odpowiada poziomowi "space".

Pożądane parametry ustalane są przez zsumowanie odpowiednich wartości.
    Program powyższy, napisany całkowicie w języku BASIC, można łatwo dopasować do innych komputerów po zmianie linii definiujących parametry złącza oraz odbierających i nadających znaki. Jest to przede wszystkim linia 30 i w miarę potrzeby rozkazy get#1 i print#1 w liniach 60, 1110, 2010 i 4010 oraz rozkaz close 1 w linii 20. Szczegółowe informacje na temat obsługi złącza szeregowego powinny znaleźć się w instrukcji obsługi danego typu komputera i opisie stosowanego w nim dialektu języka BASIC. W dialektach BASICA i Turbo Basic dla komputerów klasy PC do ustalenia parametrów złącza szeregowego służy rozkaz OPEN "COM"..., do włączenia przerwania rozkaz COM(n), a początek podprogramu odbiorczego określa rozkaz ON COM(n) GOSUB ..., do wczytywania znaków z klawiatury rozkaz INKEY$ a do transmisji i odczytu znaków przez złącze rozkazy INPUT# i PRINT#. Po usunięciu tabeli konwersji (od linii 200) i podprogranu przeszukiwania (linie 3000, 4000, 5000) program ten może być wykorzystany do odbioru i nadawania znaków w kodzie ASCII, a więc również jako prosty program naśladujący terminal i współpracujący z kontrolerem TNC, AMTOR lub PACTOR.
    Spośród wielu gotowych programów nadawczo-odbiorczych RTTY bardzo rozpowszechnione są programy HAMCOMM i SVFAX. Oba te programy pracują na komputerach klasy PC. Szczególnie interesującym jest program HAMCOMM, ponieważ wymaga on użycia bardzo prostego konwertera, a właściwie tylko komparatora, który może być także użyty do odbioru emisji faksymile i SSTV za pomocą programów JVFAX, GSH-PC, do odbioru komunitatów przywoławczych POCSAG, do podglądu emisji pakiet radio za pomocą programu PKTMON i innych. Schemat konwertera jest przedstawiony w rozdziale poświęconym emisji faksymile. Zarejestrowana wersja HAMCOMM pozwala także na odbiór emisji PACTOR. HAMCOMM może pracować także w oknie DOS systemu Windows. Program wyposażony jest we wskaźnik widma sygnału i wskaźniki dostrojenia. Obie wersje programu mogą być wykorzystane do pracy telegrafią. Innymi rozpowszechnionymi programami przeznaczonymi do pracy emisją RTTY są MIX, Radioraft i Intercom.
    Rozpowszechnienie płytek muzycznych spowodowało opracowanie wielu programów, które wykorzystują je jako cyfrowy modem dla różnych rodzajów emisji. Dla emisji RTTY są to m. in. Blaster Teletype (BTL), RITTY - pracujący również w oknie DOS systemu Windows 95 i BITTY.
    Program BTL zawiera rozbudowane filtry cyfrowe i wskaźnik dostrojenia. Podobnie jak w przypadku HAMCOMM użytkownik może korzystać z uprzednio przygotowanych tekstów i rejestrować na dysku przebieg łączności. BTL jest programem ogólnie dostępnym i jest rozpowszechniany m. in. w sieci Internetu. Program RITTY pozwala również na pracę emisją PACTOR.

2.4. KONTROLERY RTTY

    Możliwość odbioru i nadawania emisji RTTY oferują wielofunkcyjne kontrolery pakiet radio, jak np. SP-232 (PK-232), MFJ-1278(T), TNC-24MKII, DSP-1232/2232/232 itd. Kontrolery te sprzedawane są przeważnie wraz z pasującym programem terminalowym, np. PC-PAKRATT, MFJ-1284, MFJ-1289 czy TASCOM, można tu jednak użyć dowolnego innego programu terminalowego: PROCOMM, PROCOMM PLUS, TELIX lub CROSSTALK.
    Do droższych rozwiązań należą programy CODE3 holenderskiej firmy Hoka, programy firmy Bonito (oba sprzedawane są z odpowiednim konwerterem odbiorczym) i kontroler odbiorczy Wavecom. Pozwalają one jednak także na odbiór innych rodzajów emisji jak pakiet radio, AMTOR, SITOR, PACTOR i wielu profesjonalnych systemów ARQ.

2.4.1. ZESTAW ROZKAZÓW KONTROLERA PK-232

    Dla ułatwienia obsługi podaję zestaw najważniejszych rozkazów i parametrów kontrolera PK-232 związanych z pracą emisjami BAUDOT i ASCII:
- AScii - wybór emisji ASCII,
- BAudot - wybór emisji RTTY z wykorzystaniem kodu Baudota,
- PAcket - powrót do pracy emisją pakiet radio,
- ABaud [n] - wybór szybkości transmisji ASCII,
- RBaud [n] - wybór szybkości transmisji w kodzie Baudota,
- RXRev [ON|OFF] - zmiana przyporządkowania odbieranych tonów do znaków "mark" i "space" w odbiorze, ON - przyporządkowanie odwrotne,
- TXRev [ON|OFF] - przyporządkowanie w torze nadawczym,
- WIDEshift [ON|OFF] - wybór dewiacji częstotliwości, ON - szeroka,
- AAb tekst - wprowadzenie tekstu informacyjnego, nadawanego w odpowiedzi na zapytanie WRU? (ang. who are you ?),
- WRU [ON|OFF] - włączenie (ON) lub wyłączenie (OFF) nadawania odpowiedzi,
- Letter - przełączenie na odbiór liter w kodzie Baudota,
- Nums - przełączenie na odbiór znaków,
- USO [ON|OFF] - automatyczne przełączanie na odbiór liter po wystąpieniu znaku odstępu (ang. unshift on space),
- DIDle [ON|OFF] - nadawanie znaków zero w przerwach transmisji, może ułatwiać korespondentowi prawidłowe dostrojenie stacji,
- EAS [ON|OFF] - włączenie echa lokalnego (powtarzania przez kontroler znaków otrzymywanych z komputera),
- Rcve - przełączenie na odbiór (CW, RTTY, FEC),
- Xmit - przejście na nadawanie,
- TXDelay [n] - czas opóźnienia w trakcie włączania nadajnika.
    Parametry nieobowiązkowe podano w nawiasach kwadratowych, których nie należy oczywiście wpisywać, alternatywy rozdzielone są za pomocą pionowej kreski. W większości przypadków podanie rozkazu bez parametrów powoduje wyświetlenie poprzednio przypisanych wartości. Zakończeniem rozkazu jest znak RETURN. Rozkazy mogą być skrócone do części podanej dużymi literami.

2.5. EMISJA PSK31

    W odróżnieniu od omówionego powyżej klasycznego i znanego od dawna rozwiązania używanego w łącznościach dalekopisowych w emisji PSK31 stosowane jest - jak sama nazwa sugeruje - kluczowanie fazy sygnału (ang. Phase Shift Keying) zamiast kluczowania częstotliwości. Stosowana jest podnośna akustyczna o częstotliwości 1000 Hz, która po doprowadzeniu do wejścia mikrofonowego moduluje nadajnik SSB. Jedną z zasadniczych zalet kluczowania fazy w stosunku do kluczowania częstotliwości jest jej większa odporność na wpływ szumów i zakłóceń, m.in. dzięki mniejszej szerokości pasma zajmowanego przez sygnał ale nie tylko.
    Teoretycznie szerokość pasma sygnału kluczowanego fazowo może być równa szybkości transmisji i przykładowo dla szybkości 50 bit/s może wynosić tylko 50 Hz. W rzeczywistości pasmo zajmowane przez sygnał PSK jest zależne od kształtu sygnału kluczującego i w przypadku sygnału idealnie prostokątnego musiałoby być nieskończenie szerokie. W zależności od nachylenia zboczy impulsów kluczujących należy uwzględnić kilka najniższych harmonicznych co oznacza, że szerokość pasma jest kilkakrotnie wyższa od teoretycznie minimalnej. Występujące tutaj problemy są znane wszystkim, którzy zajmowali się sprawą formowania impulsów telegraficznych gdzie jak wiadomo impulsy o stromych zboczach powodują kluczowanie "twarde", stukające natomiast poprzez odpowiednie ukształtowanie impulsów można uzyskać kluczowanie "miękkie" i ograniczenie szerokości pasma sygnału CW.
    W systemie PSK31 uzyskano szerokości pasma sygnału bliskie podanej powyżej wartości teoretycznej dzięki takiemu uformowaniu impulsów kluczujących aby miały one kształt kosinusoidy. Przyjęta tutaj szybkość transmisji 31 bit/s oznacza więc, że szerokość pasma sygnału PSK31 wynosi ok. 31 Hz. W jednym z rozwiązań szerokość pasma filtru odbiorczego wynosiła 62 Hz na poziomie -64 dB. Szerokości pasma są więc znacznie niższe niż np. w emisji PACTOR. Stosowane są dwa systemy kluczowania - kluczowanie dwufazowe BPSK i czterofazowe QPSK.
    Transmisja z kluczowaniem fazy sygnału omówiona jest dokładniej w rozdziale poświęconym większym szybkościom w emisji pakiet radio.
    Używany w systemie PSK31 alfabet zdefiniowany został w oparciu o zasadę spotykaną w definicjach alfabetu Morsa i kodowania w emisji PACTOR, a mianowicie znakom częściej występującym przypisane są krótsze kody a znakom rzadziej spotykanym - dłuższe. Tak opracowany kod przyczynia się do zwiększenia efektywnej szybkości transmisji w porównaniu z kodem złożonym z symboli o równej długości, a więc np. z kodem Baudota. Efektywna szybkość transmisji w systemie PSK31 zbliżona jest do szybkości osiąganej w emisji dalekopisowej, gdzie jak wiadomo przepływność wynosi 50 bit/s. Alfabet PSK31 obejmuje wszystkie 255 znaków ASCII.
    Ponieważ system PSK31 został opracowany (w oparciu o koncept Pawła Jałochy SP9VRC) przez brytyjskiego krótkofalowca Petera Martineza G3PLX jako podstawę kodu przyjęto częstotliwości występowania głosek w języku angielskim. Peter Martinez jest również autorem systemu AMTOR.
    Dodatkowe zwiększenie odporności na zakłócenia osiągnięto dzięki zastosowaniu kodu samokorygującego Viterbiego. W odróżnieniu od omówionych dalej systemów pakiet radio czy PACTOR brak jest tutaj jakiegokolwiek protokółu transmisji pozwalającego na automatyczne powtórzenie informacji błędnie odebranych - osiągane stopy błędów są więc wyższe niż w wymienionych systemach. Z tego względu jak i z powodu niższej szybkości transmisji system PSK31 przeznaczony jest głównie do komunikacji dialogowej, a nie do transmisji większych zbiorów danych, zwłaszcza danych w formie dwójkowej jak programy czy obrazy.
    Sygnały PSK31 słyszane są najczęściej w pobliżu podanych poniżej częstotliwości (są to częstotliwości odpowiadające podnośnej 1,15 kHz, częstotliwość wytłumionej nośnej SSB jest więc o 1,15 kHz niższa):

Zakres KF (kHz) Zakres UKF (MHz)
1838,15 144,315 (SSB/USB)
3580,15 144,600 (FM)
7035,15  
14070,15  
10140,15  
21079,15  
28080,15  

    Oprócz prób z modulacją SSB podejmowane są też próby z wykorzystaniem nadajników FM w paśmie 2 m.
    Niezbędnym wyposażeniem do pracy emisją PSK31 jest nadajnik SSB o dostatecznej stabilności częstotliwości, tak aby sygnał nie "wypłynął" poza pasmo przenoszenia filtru u odbiorcy. Stabilność nadajników samowzbudnych zwłaszcza w wyższych pasmach może okazać się niewystarczająca, nadajniki wyposażone w syntezery częstotliwości są dostatecznie stabilne. Problemy związane ze stabilnością częstotliwości mogą wystąpić także w wyższych pasmach UKF dlatego też interesujące mogą być próby wykorzystania tam nadajników FM.
    Niezbędny jest oczywiście także komputer wyposażony w płytkę muzyczną i program terminalowy P31SBW.EXE, który wraz z dodatkowymi informacjami dostępny jest w Internecie i w skrzynkach sieci pakiet radio w postaci archiwum noszącego nazwę P31SBW10.ZIP lub podobną w zależności od wersji. Program terminalowy nie wymaga żadnej skomplikowanej instalacji i po rozpakowaniu archiwum może być odrazu uruchomiony. Do najważniejszych parametrów konfiguracyjnych należą własny znak i stosowana przez płytkę muzyczną częstotliwość próbkowania, od której zależna jest też szybkość transmisji i częstotliwość podnośnej akustycznej. Ze względu na niedokładności częstotliwości generatorów zegarowych w komputerach może być konieczne dobranie częstotliwości próbkowania nieco różnej od wartości domyślnej 11000 Hz. Z tego samego względu w programach nadawczo-odbiorczych faksymile i SSTV konieczne jest przeprowadzenie korekcji zapobiegającej pochyleniu obrazów.
    Ponieważ płytki muzyczne nie są wyposażone w wyjścia cyfrowe, które mogłyby służyć do przełączania radiostacji na nadawanie konieczne jest użycie do tego celu sygnału TxD ze złącza szeregowego COM o ile nie jest ono zajęte przez inne urządzenia jak kontroler TNC czy modem albo zastosowanie układu automatycznego przełącznika (VOX). Sposób przełączania musi być podany w konfiguracji programu. Ze względu na to, że sygnał wyjściowy płytki muzycznej ma amplitudę rzędu 1 V a do wysterowania nadajnika wystarczy przeważnie sygnał o amplitudzie kilkudziesięciu mV konieczne jest użycie tłumika oporowego lub potencjometru na wyjściu. Doprowadzenie do wejścia mikrofonowego sygnału o amplitudzie 1 V spowoduje przesterowanie nadajnika i znacze poszerzenie pasma sygnału nadawanego.
    Oprócz oprogramowania dla komputerów PC dostępne są także programy dla niektórych popularnych na zachodzie eksperymentalnych układów cyfrowej obróbki sygnałów (zawierających procesory sygnałowe) znanych firm j.np. DSP56002EVM firmy Motorola czy TM320C50DSK. Układy te nie są jednak dostępne w Polsce i z tego względu nie będą omawiane dokładniej.
    Najnowsze modele kontrolerów PTC-II przeznaczonych do pracy emisjami PACTOR-I, PACTOR-II i pakiet radio są już również wyposażone w możliwość transmisji PSK31.

2.5.1. AUTOMATYCZNY PRZEŁĄCZNIK N-O

    Przedstawiony na schemacie układ automatycznego przełącznika nadawanie-odbiór może być użyty we wszystkich przypadkach, w których płytka muzyczna jest wykorzystana jako modem, a więc np. także w emisji SSTV przy użyciu programu Win95SSTV itd. W obwód wyjściowy tranzystora T2 można włączyć miniaturowy przekaźnik, w większości przypadków jednak wystarcza przełączanie bezpośrednio za pomocą tranzystora. Układ zawiera także potencjometr służący do regulacji amplitudy sygnału nadawanego.

    [rys.2_03]


2.5.1.1. SPIS CZĘŚCI

Oporniki: 2 x 1,2 k, 2,7 k, 4,7 k, 6,8 k, 10 k, 100 k, 1 M,
Potencjometry: 1 k (ew. 5 k),
Kondensatory: 22 nF, 2 x 100 nF, 0,47 mF, 47 mF,
Diody: 2 x dowolne krzemowe, dioda zenera 12 V,
Tranzystory: BC308 lub podobny pnp, BS170 lub podobny.

2.6. ODBIÓR STACJI PROFESJONALNYCH

    Emisja dalekopisowa stosowana jest m. in. przez agencje prasowe i stacje meteorologiczne. Najczęściej stosowana jest szybkość transmisji 50 bit/s, z przesuwem częstotliwości 425 Hz lub 850 Hz. Częstotliwości pracy niektórych, najbardziej znanych, agencji prasowych i służb meteorologicznych podane są poniżej. W związku z tendencją do ograniczania emisji krótkofalowych i rozpowszechniania komunikatów drogą satelitarną, w sieciach komputerowych i w Internecie niektóre z podanych częstotliwości mogą być rzadko używane lub wogóle nie stosowane.

Nazwa Częstotliwość [kHz]
Niemiecka agencja prasowa DPA 6418,5; 11124,5; 13482, 17082,0; 18698
Francuska agencja AFP 5840, 8023, 9397, 10599, 10615, 13729, 14796, 15977, 17545, 18670, 20313
Agencja Reutera 10959, 18334
Polska Agencja Prasowa PAP 4623, 5903, 6805, 6848, 7845, 7975, 8133, 8192,5; 9046, 9298, 9391, 10245, 11494, 11497, 13563, 13785, 13793, 14362, 14500, 15510, 16210, 17492, 18650, 18993,5
Agencja Associated Press (AP) 6985, 9349, 10649, 12280, 14974, 18548, 22761
Agencja United Press International (UPI) 19520
Agencja USIA 14638, 18542,5
Agencja Głosu Ameryki 6942, 10410 (Kavala), 5460, 9855, 10972, 12223,5; 19915 (Tanger), 7442,5; 7478, 13995, 15875 (Monrovia)
Agencja prasowa Anadolu Ajansi (Turcja) 4815, 8137,5; 18040
Agentia Romina de Presa (Rumunia) 6972, 9797, 12110, 21807,5
Bulgarian Telegraph Agency 6960, 7460, 11502
Węgierska agencja Magyar Tavirati Iroda 9114

    Oprócz komunikatów dalekopisowych wiele stacji meteorologicznych nadaje także mapy pogody emisją faksymile. Wykaz częstotliwości stacji faksymile podany jest w rozdziale poświęconym tej emisji. Komunikaty meteorologiczne nadawane są także emisją A1A (CW) oraz fonią (komunikaty VOLMET). Poniżej podane są częstotliwości pracy niektórych stacji. W nawiasach podane są znaki wywoławcze stacji.

Nazwa Szybkość
[bit/s]
Częstotliwość [kHz]
METEO Sofia (LZSO, Bułgaria) 50 3253, 4813 (LZA8), 5455, 6795 (LZM7), 11063 (LZU2)
METEO Praha (OKPR, Czechy) 50 3196 (OKLA), 4336 (OKLA)
METEO Offenbach (EDZW, Niemcy) 50 147,3 (DDH47), 4583 (DDK2), 7646 (DDH7), 11039 (DDH9), 11638 (DDK8)
Amt für Wehrgeophysik (EDZX, Niemcy) 100 2690,5; 2721, 3035,5; 3166,5; 3318, 4785,5; 5083, 5420, 7946,5; 9318, 13526 (DHJ51), 2408, 3825,5; 4903 (DHM44), 1747, 2209, 3316 (DHM72), 2822, 3073,5; 3152, 4963,5; 5269, 6825 (DHN37)
METEO Bracknell (EGRR, Anglia) 50 4489 (GFL26), 6835 (GFL22), 10551 (GFL23), 14356 (GFL24), 18230 (GFL25)
USAF Croughton (EGWR, Anglia) 75 5233,3; 7594,3; 7621,3; 10871,3; 13583,3; 15870
METEO Roma (LIIB, Włochy) 50 3172,5 (IMB31), 5887,5 (IMB32), 11453 (IMB33)
METEO Warszawa (SOWR, Polska) 50 111,3 (SOA211), 129,5 (SOA212), 4497 (SOE349), 7997 (SOH299)
METEO Bucuresti (YRBK, Rumunia) 50 4002 (YRR4), 4025 (YRR4), 5400 (YRR), 5731 (YRR)
METEO Ankara (LTAA, Turcja) 50 3550 (YMA20), 4560 (YMB20), 10424 (YMA20)
METEO Moskwa (RUMS, Rosja) 50 3330 (RWZ72), 5140 (RWW73), 7685 (RBK75), 9190 (RDZ75), 13530 (RVW53), 5020 (RWW74), 7855 (ROK74), 11450 kHz (RDD77)
METEO Nowosybirsk (RUNW, Rosja) 50 3590 (REJ60), 7715 (RCU71), 7890 (ROQ3), 13566 (RTC26)
METEO Petersburg (LGRD, Rosja) 50 3995 (RZT70), 4900 (RUU78)
METEO Kijów 50 3290 (RGC70), 4442 (RGC72), 6920 (RGC74)

    Dla uzupełnienia listy podaję także częstotliwości niektórych stacji pracujących innymi rodzajami emisji.

Nazwa Emisja Częstotliwość [kHz]
METEO Halifax (CFH, Kanada) A1A 4255, 6430, 8697, 12726, 16926,5; 22609
VOLMET Gander (VFG, Kanada) J3E/USB 3485, 6604, 10051, 13270
RAF VOLMET (MVU, Anglia) J3E/USB 4722, 11200
VOLMET Shannon (EINN, Irlandia) J3E/USB 3413, 5505, 8957, 13264
METEO Bucuresti (YRBK, Rumunia) A1A 5882,5 (YRR3)
Marynarka hiszpańska A1A 3790, 6408,5; 6930, 14641 (EBA)
METEO Bandirma (LTBG, Turcja) A1A, A3E 478, 3636, 6965 (YMB20)
METEO Samsun (LTAQ, Turcja) A1A, A3E 478, 3636, 6935, 6965 (YMA25)
VOLMET Nowosybirsk (Rosja) J3E/USB 4663, 10090, 13279
VOLMET New York (USA) J3E/USB 3485, 6604, 10051, 13270 (WSY70)
USN Norfolk (USA) A1A 8090, 12135, 16180 (NAM)
USN Rota (Hiszpania) A1A 5917,5; 7705 (AOK)
USN Keflavik (Islandia) A1A 5167 (NRK)



Wydanie z dn. 20.03.1999.

© Prawa autorskie Krzysztof Dąbrowski, OE1KDA.